每个功率MOSFET在一个恒定的预编程开关频率以50%的占空比执行开关操作。系统效率可优化至99%以上。LTC7820的开关频率可在100kHz至1MHz的范围内进行线性设置。这些器件采用耐热增强型28引脚QFN封装,具有一些不连接的引脚,以提供可承受高电压的引脚间隔。
特性
- 薄型,高功率密度,可提供500W以上的功率
- 稳态操作的软启动
- 输入电流检测和过流保护
- 具可编程定时器和自动重试功能的输出短路/过压 (OV)/欠压 (UV) 保护
- 耐热增强型28引脚4mm x 5mm QFN封装
规范
- 软开关:99%峰值效率和低EMI
- 用于分压器 (2:1) 的VIN最大值:72V
- 用于倍压器 (1:2)/逆变器 (1:1) 的VIN最大值:36V
- 较宽的偏置Vcc输入,可提高效率
- 宽工作频率范围:100kHz至1MHz
应用
- 总线转换器
- 大功率分布式电源系统
- 通信系统
- 工业应用
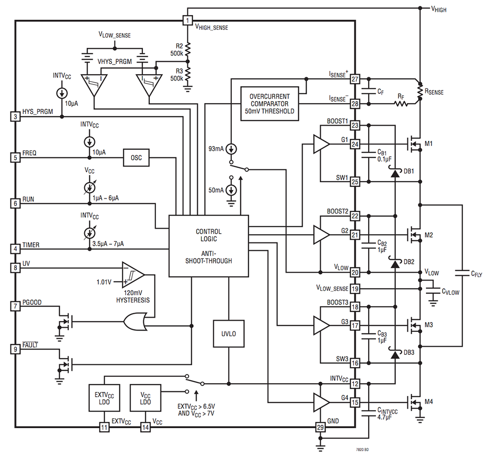
框图
视频
发布日期: 2017-05-04
| 更新日期: 2022-03-17

