特性
- 宽VIN范围:5.5V至60V
- 可配置为双相单路/双路输出操作
- 具有平滑正交斜率补偿和动态斜率恢复的峰值电流模式控制
- 可调最大占空比
- 可调最短导通时间
- 通过断续模式实现过流保护
- 可调电流检测限值
- 输出过压保护
- 可编程和可锁相工作频率:50kHz至425kHz
- 可调软启动电流斜坡
- ±1%内部基准电压
- 用于栅极驱动器的内部10V LDO稳压器
- 两个RUN引脚和双通道电源良好监控器
- 灵活的升压、SEPIC和反激式拓扑
应用
- 汽车系统
- 电信系统
- 工业电源
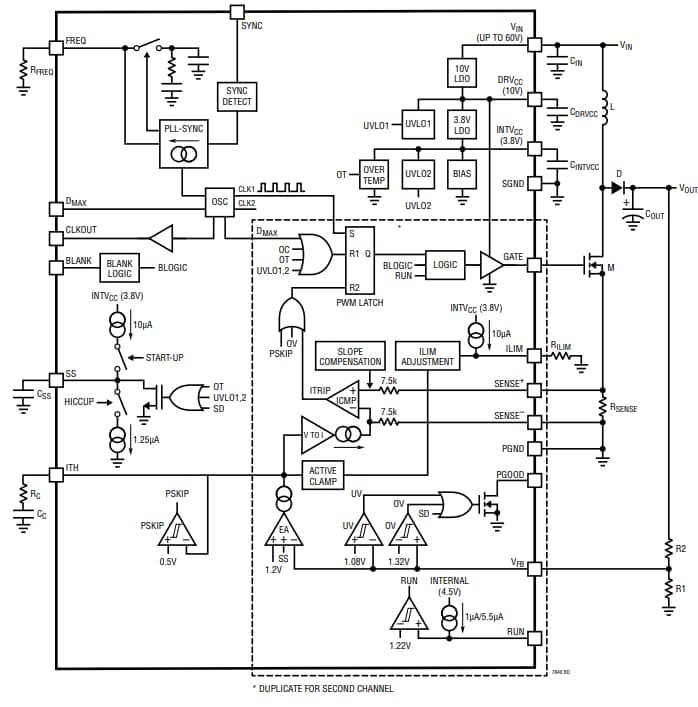
LTC7840框图
LTC7840典型应用电路
效率与输出电流特性
其他资源
发布日期: 2018-12-20
| 更新日期: 2023-02-14

