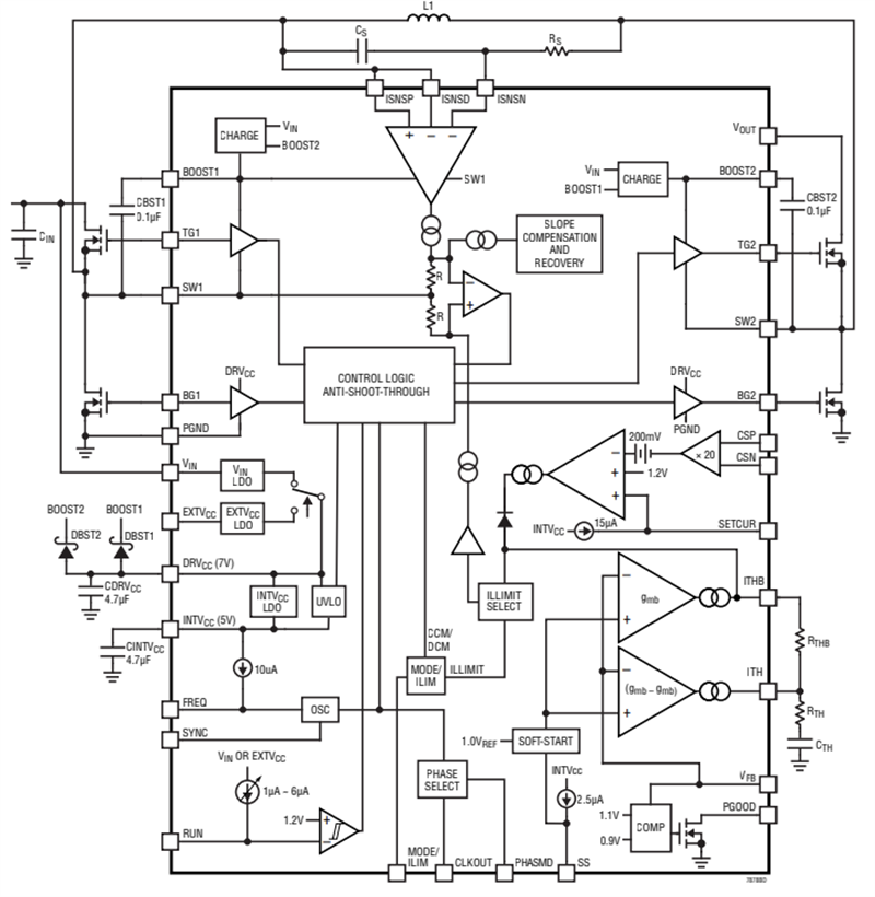
LTC7878采用强制连续模式 (FCM)/脉冲跳跃模式操作。对于高功率应用,它支持多相/多IC并行操作。这款薄型32引脚QFN封装控制器具有可编程电感器峰值电流限制、智能EXTV CC辅助电源和7V N通道栅极驱动器。PGOOD引脚指示输出何时达到所设计设定点的10%以内。
特性
- 单电感器架构可使VIN高于、低于或等于稳压VOUT
- 同步整流,效率高达98%
- 宽输入电压范围:5V至70V
- 输出电压精度:±1% (1V ≤ VOUT ≤ 70V)
- DCR或RSENSE电流检测
- 降压/升压/降压-升压模式中的峰值电流模式控制
- 可编程输入或输出电流调节
- 7V NMOS栅极驱动器
- 可锁相频率(100kHz至600kHz)
- 多相/多集成电路并联运行
- 可选择连续或脉冲跳频模式
- 工作和电感器峰值电流限制
- 小型32引脚5mm 2 QFN封装
- 工作结温范围:-40°C至+125°C
应用
- 工业和电信系统
- 分布式直流电源或电池系统
典型应用
框图
发布日期: 2022-12-29
| 更新日期: 2023-06-06

