LTC7893控制器具有15μA低工作IQ 、100kHz至3MHz可编程频率范围、扩频调制以及100kHz至3MHz可同步频率范围。这些控制器采用28引脚 (4mm x 5mm)、侧面可湿和QFN封装。LTC7893控制器用于电信电源系统、医疗系统、军用航空电子设备和汽车应用。
特性
- GaN驱动技术针对GaN场效应晶体管进行了全面优化
- 输出电压高达 100 V
- 低工作IQ:15μA
- 可编程频率范围:100 kHz至3 MHz
- 可同步频率范围:100kHz至3MHz
- 宽VIN范围: 4V至60V,启动后工作电压低至1V
- 无需捕获、钳位或自举二极管
- 电阻可调死区时间
- 内部智能自举开关可防止高侧驱动器电源过度充电
- 分离输出栅极驱动器,可实现可调导通和关断驱动器强度
- 精确可调驱动器电压和欠压闭锁(UVLO)
- 扩频调频
- 28引脚 (4mm x 5mm)、侧面可湿和QFN封装
- 符合汽车应用类AEC-Q100标准
应用
- 电信电源系统
- 汽车和工业电源系统
- 军用航空电子设备
- 医疗系统
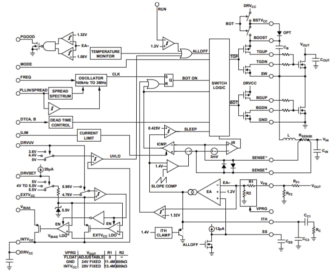
框图
典型应用图
发布日期: 2025-01-28
| 更新日期: 2025-02-21

