ADI LTC7897具有宽输入和宽输出电压范围,可实现高降压比和广泛的正负电压转换。LTC7897的栅极驱动器具有高鲁棒性,绝对最大耐压为15V,同时兼具灵活性,通过可调驱动电平和死区时间实现设计优化。LTC7897的栅极驱动电压可在5V至10V范围内调节(可选),从而兼容逻辑电平或标准阈值MOSFET。LTC7897的死区时间可通过外部电阻器进行优化,以获得裕度或定制应用,从而实现更高效率,并支持高频运行。
特性
- 宽VIN 范围:4V至135V(绝对最大值为140V)
- 宽输出电压范围:0.8V ≤ VOUT ≤ 135V(绝对最大值为140V)
- 可调栅极驱动电平:5V至10V(OPTI-DRIVE,绝对最大值为15V)
- 可调驱动器电压UVLO
- 分离输出栅极驱动器,用于调节导通和关断驱动器强度
- 自适应或电阻可调死区时间
- 100%占空比工作
- 低工作IQ :5μA(48VIN 至3.3V OUT)
- 扩频调频
- 可编程频率(100 kHz至2.5 MHz)
- 可同步频率(100kHz至2.5MHz)
- 28引脚(4mmx5mm)QFN封装
应用
- 工业电源系统
- 军事/航空电子
- 电信电源系统
典型应用
VOUT效率
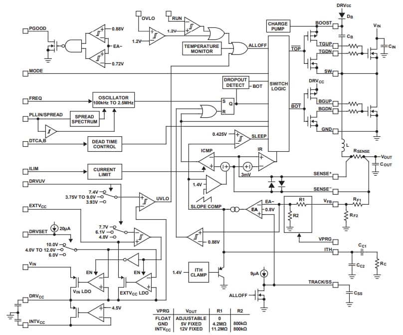
框图
发布日期: 2025-05-06
| 更新日期: 2025-05-11

