LTM2985包括适用于各种温度传感器的励磁电流源和故障检测电路。
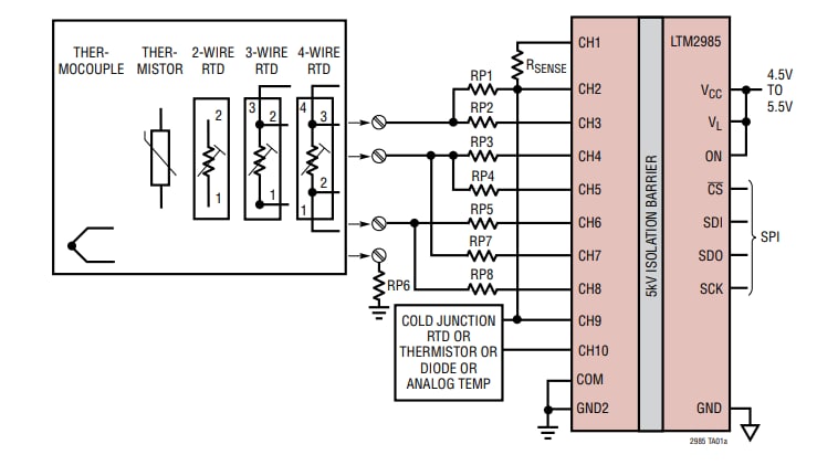
LTM2985提供与LTC2986-1兼容的隔离式10通道温度测量系统软件。它提供5kV隔离电源,SPI接口连接到精密温度-位转换器。LTM2985包含一个用户可编程EEPROM,用于定制传感器数据。
特性
- 5000Vrms隔离电源和SPI接口
- 直接数字化2线、3线或4线RTD、热电偶、热敏电阻器和二极管
- 10个灵活输入支持交换传感器
- 自动热电偶冷端补偿
- 用于热电偶、RTD和热敏电阻器的内置标准与用户可编程系数
- 自动烧毁、短路和故障检测
- 缓冲输入提供外部保护
- 同时 50Hz/60Hz 噪声抑制
- 包括15ppm/°C(最大值)参考
- 包括特殊保护模式
- 片上EEPROM存储通道配置数据和自定义系数
应用
- 直接热电偶测量
- 直接RTD测量
- 直接热敏电阻器测量
- 定制传感器应用
典型应用
典型温度误差成因
发布日期: 2022-01-13
| 更新日期: 2022-03-11

