Analog Devices Inc. LTM4654混合降压µModule®总线转换器
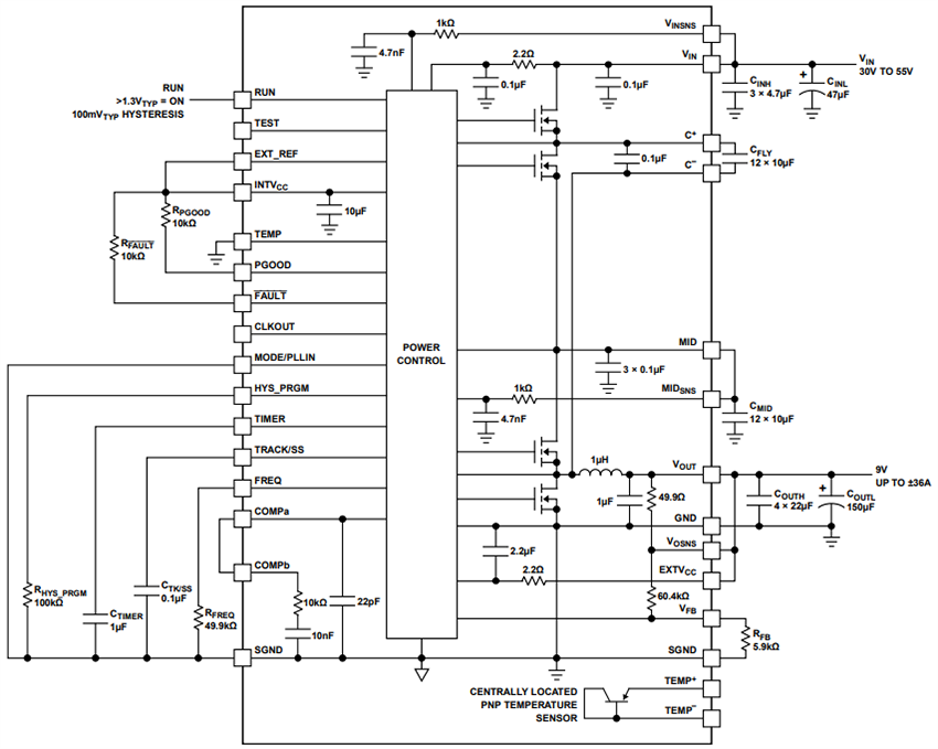
ADI公司的LTM4654混合式降压µModule® 总线转换器是完整的300W输出拉/灌开关模式混合式降压直流至直流电源µModule (微模块) 总线转换器。LTM4654设计用于从20V至55V的输入电压提供高达25A的输出电流。这些Analog Devices转换器采用紧凑型BGA封装,集成了开关控制器IC、功率MOSFET、磁性元件和配套组件,显著简化了电源系统设计并减少了电路板空间。LTM4654的输入输出电压固定为5:1的比例,非常适合在电信、工业和汽车应用中将高压中间总线电源轨转换为低电压。LTM4654具有双向操作、频率同步、Burst Mode®(突发模式)运行、输出电压软起动和跟踪等特性。板载温度二极管可用于温度监测。这些转换器具有出色的热性能、大功率密度和强大的保护特性,包括过电压、过电流和热关断。LTM4654简单易用、高度可靠,为在严苛环境中寻求紧凑高效电源转换的设计人员提供了强大的解决方案。
特性
- 输入电压范围:20V至55V,绝对最大值:57V
- 宽输出电压范围:4.5V至18V (VOUT <>IN/2)
- 效率:96.7%(9V,±15A输出,48VIN)
- 最大总DC输出误差:±3%
- 高达300W输出功率(拉/灌电流)
- 可扩展用于更大功率应用
- 固定频率电流模式控制
- 可锁相外部同步:200kHz至1MHz
- 低启动浪涌电流,DC-DC开关操作之前CFLY和CMID的电压平衡
- 输出电压跟踪,带软起动
- 短路保护,带可调重试定时器
- 过流和过热保护
- 板载二极管温度监控器
- 可选外部基准输入
- 电源良好和故障输出指示灯
- 内部工作温度范围:-40°C至+125°C
- 120引脚、16mm × 16mm × 8.96mm、BGA封装
- 符合RoHS标准
应用
- 非隔离式中间总线电源架构
- 电信、网络和测试/测量设备
- 工业
典型应用
方框图
发布日期: 2025-05-23
| 更新日期: 2025-05-28
