Analog Devices Inc. LTM8051四通道40Vɪⲛ µModule®稳压器
Analog Devices Inc. LTM8051四通道40VIN Silent Switcher® μModule® 稳压器是1.2A降压Silent Switcher稳压器。Silent Switcher架构可最大限度地降低EMI,同时在高达3MHz频率下提供高效率。这些稳压器配有控制器、电源开关、电感器和配套元件。LTM8051稳压器支持0.8V至8V输出电压和300kHz至3MHz开关频率范围,这两个范围各由一个电阻器进行设置。这些稳压器采用紧凑型 (6.25mm × 11.25mm × 2.22mm) 包覆成型球栅阵列 (BGA) 封装,适合采用标准的表面贴装设备进行自动化装配。典型应用包括自动化测试设备、分布式电源调节、工业电源和医疗设备。特性
- 四个完整的降压开关电源
- 低噪声Silent Switcher架构
- 符合CISPR22 B类标准
- 符合CISPR25 第5类标准
- 多相或多微型模块并行,能够提高输出电流
应用
- 自动化测试设备
- 分布式电源调节
- 工业电源
- 医疗设备
规范
- 宽输入电压范围:3V至40V
- 宽输出电压范围:0.8V至8V
- 可选的开关频率范围:300kHz至3MHz
- 紧凑型表面贴装BGA封装 (6.25 mm × 11.25 mm × 2.22 mm)
- 连续输出电流:每通道1.2A(12VIN 和3.3VOUT,TA =85°C时)
- 连续输出电流:每通道1.5A(12VIN 和3.3VOUT,TA =60°C时)
- 工作温度范围:-40 °C至125 °C
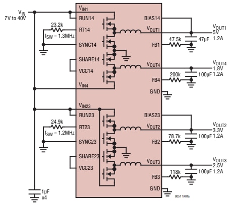
框图
典型应用电路图
性能图表
发布日期: 2020-10-30
| 更新日期: 2024-11-26
