Analog Devices Inc. MAX17616/A 7A电流限制器
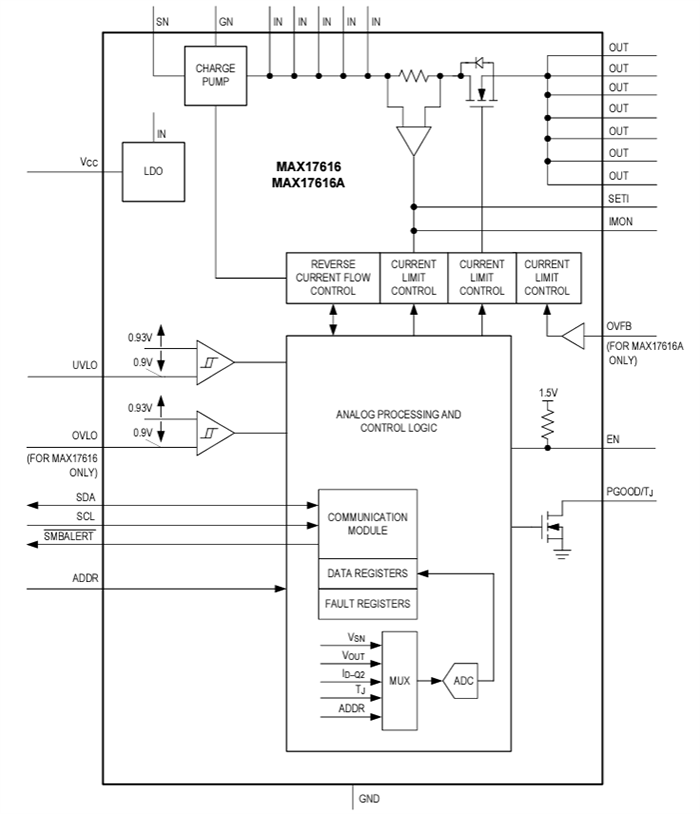
Analog Devices Inc. MAX17616/A 7A限流器为系统提供高度通用和可编程的保护边界,防止输入电压故障和输出过流故障。输入电压故障(正极性)可通过内部低导通电阻nFET(20mΩ 典型值)进行保护,保护电压最高可达+80V(无反向电流保护)和+75V(有反向电流保护)。Analog Devices Inc. MAX17616/A器件采用外部分压器,具有可编程欠压锁定 (UVLO) 阈值。MAX17616具有可编程过压锁定 (OVLO) 功能,而MAX17616A则通过OVFB引脚提供可编程输出电压箝位功能,在输入瞬态浪涌事件期间进行输出电压限制调节。输入欠压和过压保护 (MAX17616)/输出电压箝位功能 (MAX17616A) 可在整个3V至80V工作范围内进行编程。特性
- 强大的保护特性缩短了系统停机时间
- +3V至+80V宽输入电源范围(无反向电流保护)
- +3V至+75V宽输入电源范围(带反向电流保护)
- 在整个温度范围内,3A至7A之间的可编程电流限值精度为±3%
- 在整个温度范围内,2A至3A之间的可编程电流限值精度为±4%
- 在整个温度范围内,0.7A至2A之间的可编程电流限值精度为±7%
- 输入电压反极性保护(带外部nFET)
- 双级反向电流保护(带外部nFET),响应时间为100ns
- 低RON 内部nFET(20mΩ典型值)
- 输出电压反极性容差
- 接地失效保护
- 200%短期过载能力
- 可编程过电压浪涌保护 (MAX17616A)
- PmBus接口
- 实时运行状况监控、电压和电流读数
- 故障登记访问和管理
- 设备开/关控制
- 电流限制模式选择
- 启动浪涌电流限值选择
- 短期过电流限制和时间选择
- 设计灵活,可最大限度地重复使用并尽可能减少重新认证
- 可调UVLO和OVLO/OVFB阈值
- ±2%精确带宽电流监测读出,IMON(3A至7A,高达+85°C)
- 可编程启动浪涌电流限制
- 可编程电流限制故障响应:连续、自动和闩锁模式
- 逻辑电平使能输入 (EN)
- 受保护的外部N型场效应晶体管 (nFET) 栅极驱动器
- 电源良好输出 (PGOOD)
- 可编程输出欠压检测 (OUTUV)
- 结温监控 (TJ)
- 热折返电流限制
- 减少解决方案的占位面积
- 4.5mm x 5.75mm,23引脚FCQFN封装
- 通用保护要求的集成nFET
应用
- 输入电压和输出过流保护:在输入电压故障和输出过流故障时,MAX17616/MAX17616A会中断负载电流并断开输出与输入的连接。
- 接地失效保护:MAX17616/MAX17616A在发生接地失效事件(如接地路径上的单故障安全保险丝断开)时,会中断负载电流并断开输出与输入的连接。
- 浪涌保护:MAX17616A具有输入电压瞬时浪涌时的输出电压限制调节功能,以保护连接的负载免受短时输入电压浪涌事件的影响。
简化应用方框图
功能框图
发布日期: 2024-12-12
| 更新日期: 2025-01-16
