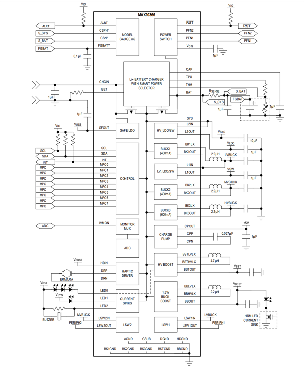
ADI MAX20366结合了一组灵活的功率优化稳压器,包括多个降压转换器、升压转换器、降压-升压转换器和线性稳压器。这种组合实现了高水平集成,可创建完全优化的电源架构。每个稳压器的超低静态电流可延长常开应用的电池寿命。
MAX20366包括一整套电池管理解决方案,具有电池密封、充电器、电源路径和电量计。充电器内置热管理和输入保护功能。该设备还包括一个工厂可编程按钮控制器,具有多个可定制的输入,以满足特定产品UX要求。
三个集成LED电流吸收器,用于提供指示灯或背光功能,一个具有自动共振跟踪功能的ERM/LRA驱动器可为用户提供精准的触觉反馈。低噪声1.5W降压-升压转换器为光学心率系统中常用的LED提供了纯净的电源解决方案。ADI MAX20366可通过I2C接口进行配置,允许对各种功能进行编程并读取器件状态,包括能够使用集成ADC读取温度和电源电压。
该器件采用72焊球、0.5mm脚距、4.88mmx4.19mm晶圆级封装(WLP),可在-40°C到+85°C的扩展温度范围内工作。
特性
- 延长两次充电之间的电池使用时间
- 2个Micro-IQ 、400mA降压式稳压器(每个IQ 典型值为330nA)
- 0.550 V至1.180 V(10 mV步进)
- 0.550V至2.125V(25mV步进)
- 0.550 V至3.700 V(50 mV步进)
- Micro-IQ 、600mA降压稳压器(IQ 典型值为330nA)
- 0.550 V至1.180 V(10 mV步进)
- 0.550V至2.125V(25mV步进)
- 0.550 V至3.700 V(50 mV步进)
- Micro-IQ LV LDO/负载开关(IQ 典型值为1µA)
- 1.0 V 到 2.0 V 的输入电压
- 50mA输出
- 输出电压范围:0.5 V至1.95 V,25 mV步进
- Micro-IQ LDO/负载开关(IQ 典型值为1µA)
- 1.71 V 到 5.5 V 的输入电压
- 100mA输出
- 0.9 V至4 V,100 mV步进
- Micro-IQ 降压-升压稳压器(IQ 典型值为2µA)
- 1.5 W输出
- 2.6V至5V(50mV步进)
- 2个Micro-IQ 、400mA降压式稳压器(每个IQ 典型值为330nA)
- 易于实现锂离子电池充电
- 较宽的快充电流范围:5mA至500mA
- 28V/-5.5V容限输入
- 可编程JEITA电流/电压分布
- 通过高度集成,最大限度减小解决方案尺寸
- 安全输出LDO:3.3V或5.0V
- CHGIN存在时为15mA
- ERM/LRA触觉驱动器
- 自动制动(仅限LRA)
- 自动共振跟踪(仅限LRA)
- 安全输出LDO:3.3V或5.0V
- 支持多种显示选项
- Micro-IQ 升压稳压器(IQ 典型值为2.4µA)
- 300mW输出
- 5V至20V(250mV步进)
- 3通道电流吸收器
- 可耐受20V的电压
- 从 0.6 mA 到 30 mA 可编程
- 优化系统控制
- 可编程按钮控制器
- 可编程电源排序
- 工厂货架模式
- 片上电压/充电电流监控多路复用器和模数转换器(ADC)
- Micro-IQ 升压稳压器(IQ 典型值为2.4µA)
应用
- 可穿戴设备
- IoT
简化框图
发布日期: 2025-05-15
| 更新日期: 2025-05-21

