MAX22196评估套件工作在USB模式、Pmod模式和多器件模式。该评估套件支持根据IEC 61000-4-2、IEC 61000-4-4和IEC 61000-4-5标准对ESD、EFT和浪涌的瞬态抗扰度测试。MAX22196评估套件提供使用MAX22196的八通道、电流隔离、可配置1/3类或2类或拉数字输入解决方案的设计。该评估套件包含MAX22196EVKIT#、MAX22196AJT+、micro-USB数据线和24V电源适配器。
特性
- 评估MAX22196数字输入
- 评估套件逻辑侧采用USB供电
- 现场输入的稳健设计:
- 线对地和线对线耐浪涌:±1kV
- 接触静电放电(ESD):±8kV
- 气隙ESD:±15kV
- 可通过软件配置实现IEC 61131-2 1/3类、2类、TTL或HTL输入
- Windows® 10兼容软件
- 经完全组装和测试
- 经过验证的PCB布局
- 支持根据IEC 61000-4-2、IEC 61000-4-4和IEC 61000-4-5标准的瞬态抗扰度测试
- 符合RoHS标准
套件内容
- MAX22196EVKIT#,包括MAX22196AJT+
- Micro-USB电缆
- 24V电源适配器
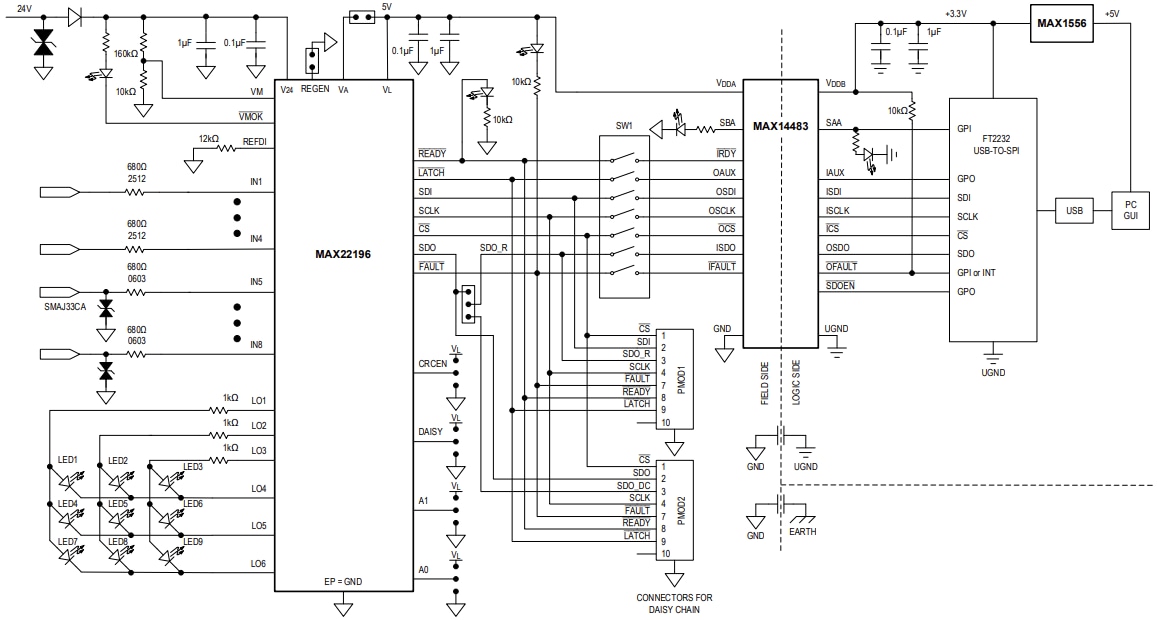
评估套件系统框图
发布日期: 2023-04-27
| 更新日期: 2023-05-03

