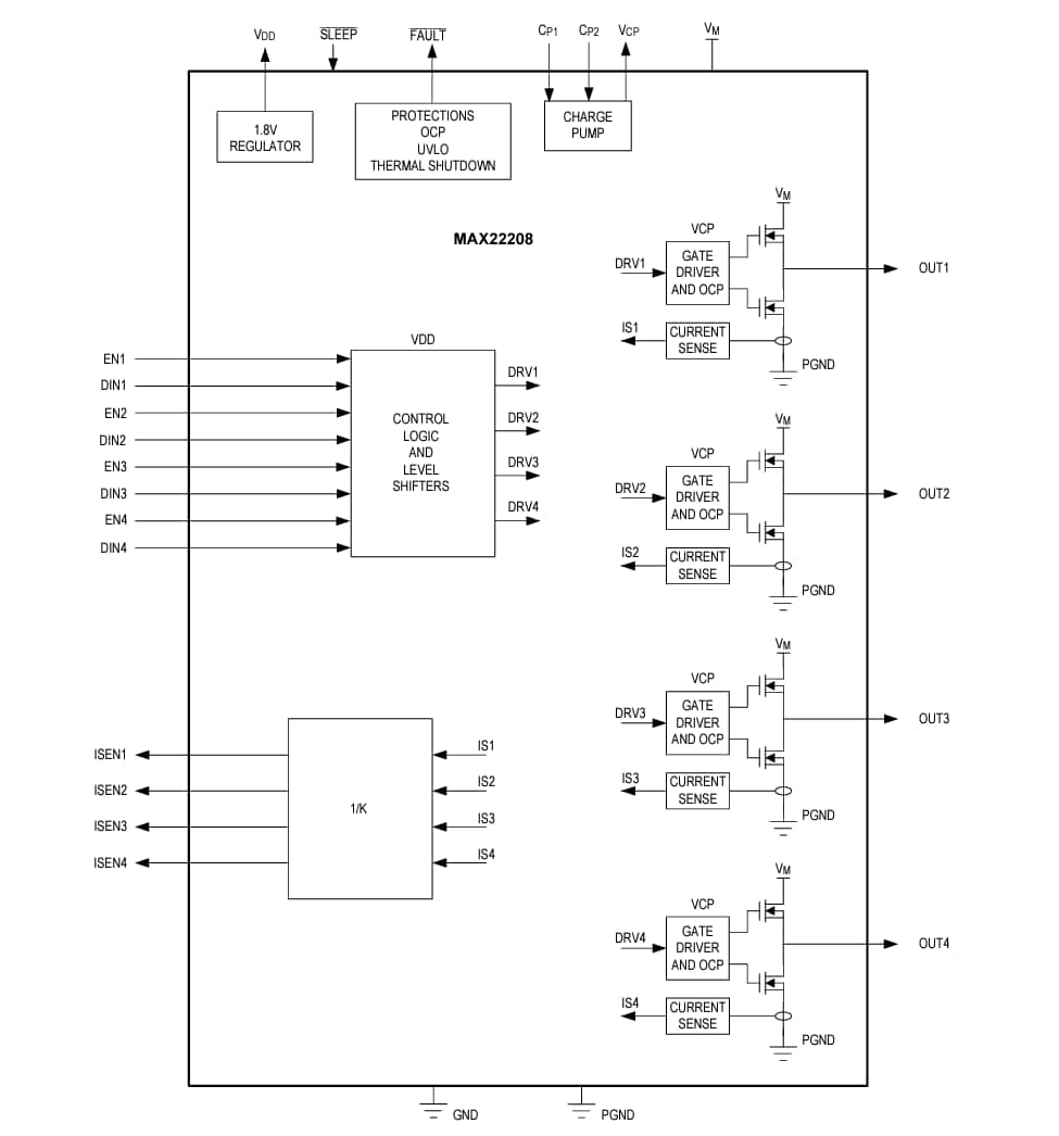
该功率FET具有非常低的阻抗,可实现高驱动效率和低散热。总典型RON(高侧+低侧)为0.3Ω(典型值)。每个半桥均可通过两个逻辑输入(DIN、EN)单独进行脉宽调制(PWM)控制。
ADI MAX22208集成了非耗散电流检测功能,消除了此功能所需的大尺寸外部功率电阻器。与基于外部检测电阻器的主流应用相比,这一集成可显著节省空间和功耗。
与内部检测的负载电流成正比的电流被输出到外部电流监视器引脚(ISEN)。将外部电阻器连接到这些引脚,即可产生与电机电流成正比的电压。当控制算法需要电流/扭矩信息时,外部电阻器上的电压降就可以输入到控制器ADC中。
每个半H桥的最大输出电流IMAX = 3.8A。该电流受到过流保护(OCP)电路的限制。该电流可以驱动短暂瞬变,旨在有效驱动小容性负载。
MAX22208采用小型5mmx7mm、38引脚TQFN封装和4.4mmx9.7mm、38引脚TSSOP封装。
特性
- 四个独立半H桥驱动器
- 最高工作电压:65 V
- RON(高侧+低侧):0.3Ω(典型值,TA = +25°C时)
- 完全独立的半桥控制
- 每个H桥额定电流(TA = +25°C):
- IMAX = 3.8A(驱动容性负载的脉冲电流)
- IRMS= 2A
- 集成电流检测(ICS),无需大尺寸外部电阻器,且提高了效率
- 电流检测输出监视器
- 故障指示器引脚(FAULT)
- 为每个通道提供过流保护(OCP)
- 欠压锁定(UVLO)
- 热关断(TSD)=+155°C
- 5mmx7mm、38引脚TQFN封装和4.4mmx9.7mm、38引脚TSSOP封装
应用
- 有刷直流电机驱动器
- 步进电机驱动器
- 电磁驱动器
- 锁存阀
规范
- 电源电压范围:4.5V至65V
- 休眠模式电流消耗:20uA
- 低静态电流消耗:5 mA
- VDD 电流限制:18mA
- 输入迟滞:110mV
- 低侧输出导通电阻:270mΩ
- 高侧输出导通电阻:300mΩ
- 输出转换速度:300V/μs
简化框图
功能图
发布日期: 2024-10-11
| 更新日期: 2024-11-04

