Analog Devices Inc. MAX22217电磁阀驱动器
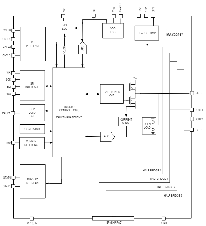
Analog Devices Inc. MAX22217电磁阀驱动器设计用于驱动感性负载,例如开关电磁阀、直流电机、比例阀、双稳态阀和继电器。 这些驱动器集成有四个可编程36V半桥。 MAX22217电磁阀驱动器的工作环境温度范围为-40°C至125°C。这些驱动器集成了旨在优化电磁阀和直流电机驱动控制的功能。MAX22217设有保护电路,包括过流保护(OCP)、过热保护(OTP)和欠压锁定(UVLO)。 这些驱动器采用TQFN32 5mm x 5mm封装。MAX22217驱动器非常适合用于开关电磁阀和继电器、直流电机、比例阀、双稳态锁闭电磁阀、数字输出接口和机电电机制动器。特性
- 四个串行控制36V半桥:
- 0.55A DC (TA = 25°C) 和1A满量程电流能力
- 低RON 可实现高效率
- 灵活性高:
- 独立通道设置
- 支持高侧/低侧/桥接负载配置/并行模式
- 高级控制方法:
- 电压/电流驱动调节
- 用于节能的两级排序器
- 带限流器的直流电机驱动器
- 抖动功能
- 斜坡上升/下降控制
- 去磁电压控制
- 集成电流检测
- 诊断功能:
- 反应和行程时间测量
- 检测柱塞运动
- 开路负载检测
- 电感测量
- 数字电流检测监控器
- 全面的保护特性:
- 过流保护
- 热保护
- 欠压锁定
应用
- 电磁开关阀门和继电器
- 直流电机
- 比例阀
- 双稳态锁闭电磁阀
- 具有实时电流测量功能的开关驱动器
- 数字输出接口
- 机电电机制动器
框图
发布日期: 2024-07-10
| 更新日期: 2024-07-24
