源驱动器电源包含一款升压转换器,能够在单极模式下产生高达+18V的电压。还包含一款反相降压-升压转换器,可产生低至-10.5V的电压。 AVDD输出在13.5V条件下可提供高达300mA电流,而NAVDD可提供高达200mA电流。正源驱动器电源调节电压(VAVDD)通过I2C或内部NV存储器进行设置。负源驱动器电源电压(VNAVDD)始终被严格地调节到-VAVDD 。该源驱动器电源的工作输入电压范围为2.65V至5.5V。
该栅极驱动器电源由稳压电荷泵组成,可产生高达+31.5V和低至-18V的电压,均可提供高达15mA的电流。该IC具有带输入开关控制(NGATE)的6串LED驱动器,最多可为6串LED供电,每串电流为150mA(最大值)。Analog Devices Inc. MAX25169采用7mmx7mm、48引脚TQFN封装(带裸露焊盘)。可-40°C至+125°C环境温度范围内工作。
特性
- 4输出TFT-LCD偏置电源
- 2.65V至5.5V输入,用于TFT-LCD部分
- 集成420kHz或2.1MHz升压和降压-升压转换器
- 正负15mA栅极稳压器,具有可调输出电压(三倍频器/反相倍频器)
- 灵活测序
- 所有输出欠压检测
- 低静态电流待机模式
- 6通道、36V LED背光驱动器
- NGATE控制,用于外部nMOSFET串联开关
- 可编程nMOSFET电流限制
- 每通道电流:高达150mA
- 输入电压范围:4.5V至36V,启动后以3V运行
- 集成升压/SEPIC控制器(400kHz至2.2MHz,带同步功能)
- 调光比:16667:1(200Hz时)
- 自适应电压优化,可降低LED电流吸收器内的功耗
- 开路灯串、短路LED以及接地短路诊断
- 低EMI
- LED灯串的相移调光
- LED驱动器和TFT输出上的扩频
- 可选开关频率
- I2C接口,用于控制和诊断
- 通过FLTB引脚和I2C进行故障指示
- 非易失性配置存储
- 过载和热保护
- 符合ASIL B级要求
- -40℃至+125℃环境温度下工作
- 7mm x 7mm 48引脚TQFN封装,带裸露焊盘
- AEC-Q100 1级
应用
- 汽车仪表板
- 汽车中央信息显示屏
- 汽车平视显示器
视频
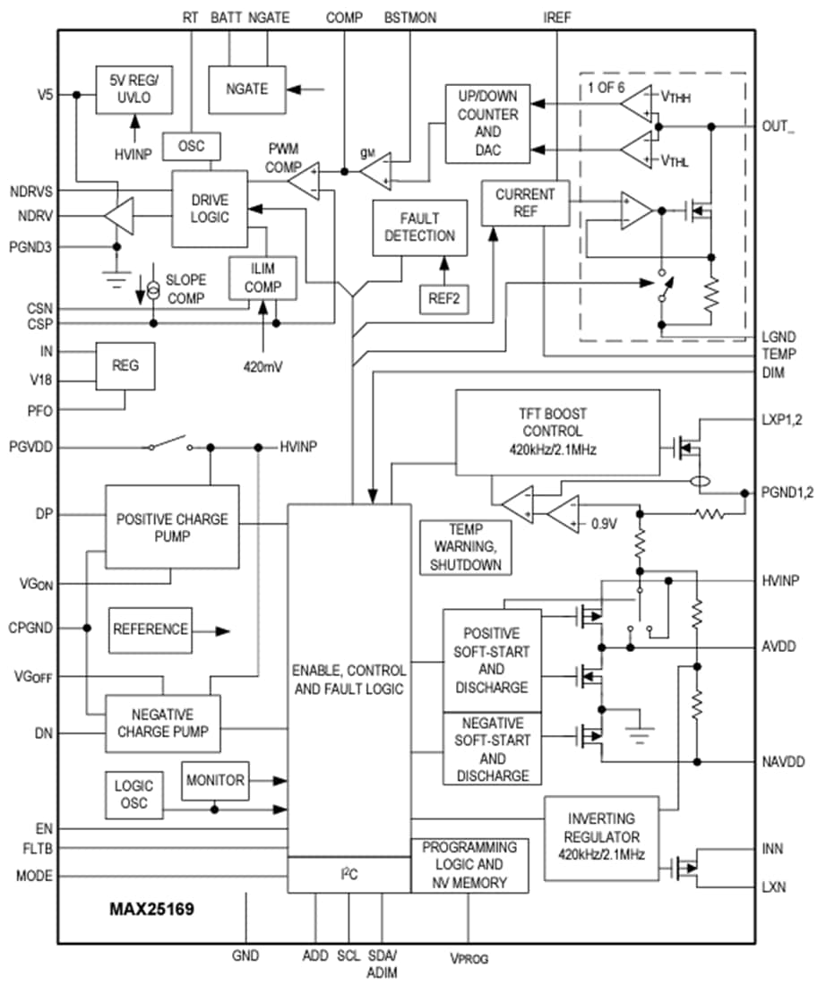
简化框图
发布日期: 2023-03-29
| 更新日期: 2023-08-01

