ADI MAX26040提供5V固定输出电压,以及4V至15V的可编程范围。频率可在220kHz至2.2MHz范围内调节,从而减少外部元件数量和输出纹波。该IC可在扩频调制模式下运行,能够最大限度地减少由于调制频率而产生的电磁干扰(EMI)辐射。
MAX26040采用小型(4mmx4mm)20引脚侧面可润湿TQFN封装,仅需极少的外部元件。
特性
- 高电压、高效率、低功耗
- 4.5 V至36 V电源供电
- 可耐受高达40V的输入瞬变
- EN引脚兼容:3.3V至40V
- 输出电流:1.2 A(最大值)
- 温度范围:-40 °C至+125 °C
- 提高效率、降低物料清单(BOM)成本、节省电路板空间
- 集成场效应晶体管(FET)H桥架构
- 固定输出电压
- 20引脚SWTQFN封装
- 低静态电流有助于设计人员满足原始设备制造商(OEM)的严格电流要求
- 待机模式静态电流:52μA
- 关断模式静态电流:10μA(最大值)
- 高开关频率允许使用小型外部元件
- 工作频率:200 kHz至2.2 MHz
- 跳跃模式可实现高效低功耗运行
- 固定频率脉冲宽度调制(PWM)模式
- 外部频率同步
- 降低开关频率下的EMI辐射 - 可启用或禁用扩频
应用
- 电信、服务器和网络设备
- 12V/24V工业应用
- 负载点(POL)电源
典型工作电路
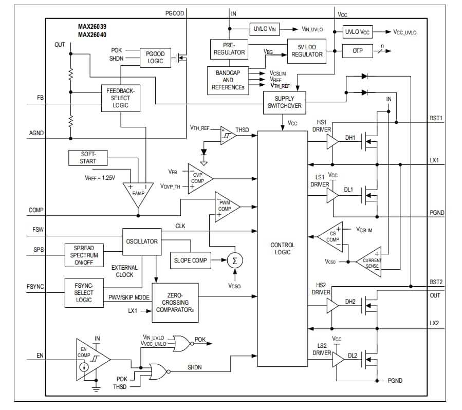
功能图
发布日期: 2025-05-15
| 更新日期: 2025-06-03

