Analog Devices / Maxim Integrated MAX38647B微型毫微功耗降压转换器
Analog Devices Inc./Maxim Integrated MAX38647B微型毫微功耗降压转换器具有4级VSEL降压功能,可将1.8V至5.5V的输入电压范围降压为0.5V至1.8V的宽输出电压范围。这些降压转换器在超低功耗模式(ULPM)、低功耗模式(LPM)和高功耗模式(HPM)之间自动切换,根据负载电流尽可能以最高的效率处理负载。MAX38647B简单易用,峰值效率达94%,有助于延长电池寿命,支持100%占空比运行,并提供短路保护和内部有源放电。MAX38647B可采用1.82 mm x 0.89mm、0.4mm间距8焊球WLP封装或3mm2、0.5mm间距10引脚TDFN封装。特性
- 延长电池寿命
- 440nA超低静态电源电流
- 5nA关断电流
- 94%峰值效率,90%时超过10µA
- 简单易用,地址通俗操作
- 输入电压范围:1.8V至5.5V
- 输出电压范围:0.5V至1.8V
- 输出电流:高达175mA
- 在多种用例情况下保护系统
- 短路保护
- 内部主动放电
- 可编程单电阻器(32个设置),4个输出电压电平,用于通过数字控制VSEL1和VSEL2引脚的每个RSEL设置
- EN引脚,用于转换器开/关控制
- 100%占空比模式,实现低压差运行
- 工作温度范围:-40°C至+125°C
- 封装选项
- 8焊球WLP(1.82mmx0.89mm、0.4mm脚距)
- 10引脚TDFN(3mmx3mm、0.5mm脚距)
应用
- 空间受限的便携式消费类产品
- 可穿戴设备,包括超低功耗物联网、NB IoT和蓝牙® LE
- 单节锂离子和纽扣电池产品
- 有线/无线工业产品
规范
- 输入电压范围:1.8V至5.5V
- 输出电压范围:0.5V至1.8V
- 输出精度:±1.5%
- 最大电流:±1.6ARMS
- 输出电流:175mA
- 输入关断电流:0.1µA(最大值)、0.005µA(典型值)
- 直流负载调节:±2.5%(典型值)
- 软启动时间:1ms(典型值)
- 选择电阻器检测时间范围:240微秒至1320微秒
- 有源放电电阻范围:50Ω至200Ω
- 电感器峰值电流限制范围:0.2A至0.3A
- 过零阈值:12.5mA(典型值)
- 连续功率耗散
- 912毫瓦(WLP封装)
- 1951mW(TDFN封装)
- 温度
- 工作温度范围:-40°C至+125°C
- 最大结温:+150°C
- 焊接
- +300°C引线持续10s
- +260°C回流
简化应用电路
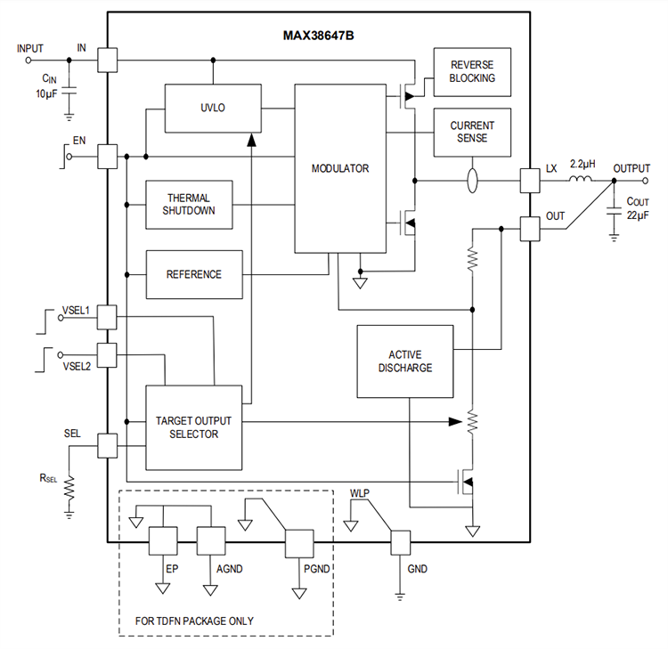
框图
发布日期: 2023-06-15
| 更新日期: 2023-07-04
