Analog Devices / Maxim Integrated MAX38647B WLP评估套件
Analog Devices Inc. MAX38647B WLP评估套件 (MAX38647BEVKIT) 用于评估采用晶圆级封装(WLP)的MAX38647B IC。紧凑型MAX38647B是一款具有四级VSEL的1.8 V至5.5 V输入、440nA IQ、175mA nanoPower降压转换器。MAX38647BEVKIT提供可通过电阻进行配置的输出电压(0.5V至1.8V)。MAX38647B可以使用两个电压选择(VSEL)引脚动态改变电压。完全组装且经过测试的Analog Devices Inc. MAX38647B WLP评估套件可提供高达175mA的输出电流,并随附安装有MAX38647 BANA+。特性
- 评估采用8焊球WLP封装中(1.82mmx0.89mm、0.4mm间距)的MAX38647B IC
- 输入电压范围:1.8V至5.5V
- 可配置输出电压:0.5V至1.8V
- 输出电流:高达175mA
- 经验证的两层1oz铜PCB布局
- 具有紧凑的解决方案尺寸
- 完全组装并经过测试
必要设备
- 1个MAX38647B WLP评估套件
- 5.5V、3A直流电源
- 具有175mA灌电流的负载
- 数字伏特计 (DVM)
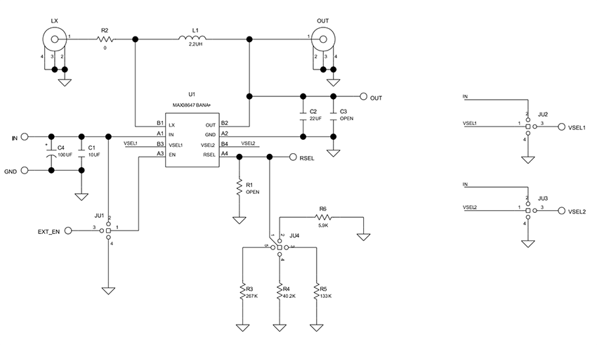
原理图
概述
发布日期: 2023-06-15
| 更新日期: 2023-07-05
