该IC上的USB Type-C™配置通道(CC)检测引脚默认在DRP(双角色端口)中运行,支持自动USB Type-C电源检测和接收设备。为了支持各种传统USB和专用适配器,该器件还使用D+和D-引脚集成了BC1.2检测功能。USB插头一插入,IC就会自动运行CC引脚和BC1.2检测,无需任何软件控制。
该IC提供高达5.1V、1.5A的反向升压能力,可以通过自动方式或系统MCU设置的寄存器启用。STAT1引脚指示充电状态,而INOKB引脚指示有效的输入电压。EXTSM引脚可用于退出运输模式并强制系统复位(POR),STAT2引脚则通过选择寄存器位来指示故障检测和充电器检测完成。
该IC配备Smart Power Selector™和电池真关断FET以控制电池的充电和放电或在发生故障时将电池隔离。该IC支持具有不同端接电压(3.6V至4.55V)的锂离子和LiFePO4电池。Analog Devices/Maxim Integrated MAX77789采用2.85mm x 2.85mm、0.4mm间距、6x6晶圆级封装(WLP),使其适合低成本PCB装配。
特性
- 高达16V保护
- 最大输入工作电压:13.4V
- 3.15A最大充电电流
- 6A放电电流保护
- 集成CC检测,用于USB Type-C
- 支持双角色端口 (DRP)
- HVDCP用DP/DN手动控制
- 集成BC1.2检测,用于传统SDP、DCP、CDP和DCD超时
- 集成USB检测,用于常见的专有充电器类型
- 自动输入电流限制配置
- 输入电压调节,具有自适应输入电流限制 (AICL)
- 5.1V/1.5A OTG模式和BYP反向升压
- 工作温度范围:-40°C至+85°C
- 集成电源路径
- 安全性
- 充电安全定时器
- 包含NTC热敏电阻监测器,符合JEITA要求
- 热关断
- 所有功能通过引脚控制
- STAT1引脚指示充电状态
- STAT2引脚指示故障和充电器类型检测完成
- INOKB引脚指示输入电源正常
- EXTSM引脚用于退出运输模式和系统POR
- STBY引脚支持挂起模式
- THM引脚监控热敏电阻
- 集成电池真断开FET
- 兼容I2C,带有INTB
- 2.85mm2、6x6 WLP封装
应用
- 移动销售点 (mPOS) 终端
- 便携式医疗设备
- 无线耳机
- GPS追踪器
- 可穿戴设备充电座
- 移动电源
- 移动路由器
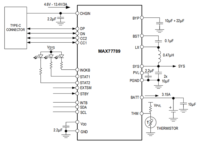
简化框图
功能图
发布日期: 2023-08-28
| 更新日期: 2023-09-01

