Analog Devices / Maxim Integrated MAXM17225毫微功耗升压模块
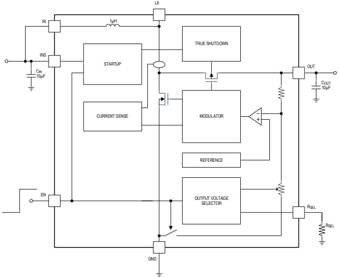
Analog Devices MAXM17225毫微功耗升压模块具有超低IQ (300nA),采用微型eMGA封装,可延长电池寿命并延长产品寿命。MAXM17225的启动电压低至0.88V,启动后,输入电压VIN 可低至0.4V。得益于以上电压,MAXM17225非常适合用于随时间推移电压放电的电池供电设备。ADI MAXM17225接受0.4V至5.5V输入电压,并将其升压为1.8V至5V可编程输出电压。通过单个外部电阻器(RSEL)设置输出电压。MAXM17225的最大效率为95%。该模块非常适合用于空间受限的外壳中需要升压转换且要求高效率的电池供电设备和便携式电子产品等应用。实际关断从输出断开输入,节省电池寿命。特性
- 延长电池寿命
- 超低静态电流:300nA
- 0.5nA关断电流
- 峰值效率:95%
- 真正关断
- 从输入断开输出
- 来自VIN、VOUT的零正向 /反向电流
- 强大的性能特性包括
- 内部电流限制
- 集成的软启动功能
- PFM控制方案,可在轻负载工作时实现更高效率
- 简单易用,操作普及
- VIN(5.5V时)低至0.4V
- 最小启动电压:0.88 V
- 单电阻可调VOUT :1.8V至5V
- VOUT 选择分辨率(100mV步进)
- 1 A峰值电感电流限制
- 减小了尺寸,提高了可靠性
- 2.1 mm x 2.6 mm、10-lead eMGA封装
- 芯片工作温度范围:-40°C至+125°C
应用
- 健康监控和健身设备
- 超低功耗物联网模块
- 蓝牙®低功耗设备
- 可穿戴设备
- 便携式销售点(POS)终端
- USB OTG适配器模块、USB充电
- 用于RTC/警报蜂鸣器的超级电容备份
- 单节或双节碱性电池产品
视频
简化框图
典型应用电路
发布日期: 2024-05-02
| 更新日期: 2025-08-14
