TMC5241支持SPI和UART通信接口,具备全面的诊断功能,通过StallGuard2™实现堵转检测,并通过CoolStep™进行能耗优化。这些ADI集成电路具有宽范围电源电压和强大的保护功能,非常适合要求高精度、高可靠性和低噪声的安防、医疗和工业自动化等应用。
特性
- 电压范围:4.5VDC至65VDC
- +25°C时的典型RON低至0.31Ω(HS + LS)
- +25°C时每个H桥的典型额定电流
- VS = 24V时,IRMS = 2ARMS(2.8A正弦峰值)
- VS = 48V时,IRMS = 1.7ARMS(2.4A正弦峰值)
- 全集成无损电流检测
- 8点运动控制器,用于实现最小化加加速度(最小冲击)
- SPI和单线UART
- 编码器接口和2个参考开关输入
- 每整步支持256微步的高分辨率
- 灵活的波形表和相位偏移,以匹配电机
- StealthChop2静音电机运行
- SpreadCycle高动态电机控制斩波器
- StealthChop2和SpreadCycle无干扰组合
- StallGuard2和StallGuard4无传感器电机负载检测
- CoolStep电流控制,实现高达75%的节能
- 被动制动和自由轮行模式
- 电机相位温度估算
- 芯片温度测量
- 通用模拟输入
- 全面保护和诊断
- 过电压保护输出
- 紧凑型5mm x 7mm TQFN38封装,带裸露焊盘
- 符合 RoHS 要求
应用
- 纺织机、缝纫机和针织机
- 实验室和工厂自动化
- 身份证/卡片打印机
- 液体处理
- 医疗
- 办公室自动化和纸张处理
- 销售点 (POS)
- 按摩椅
- 自动柜员机、现金回收机/设备和纸币验证器
- 闭路电视和安防
- 泵和阀门控制
- 定日镜和天线定位
- 舞台照明
规范
- 电源
- 4.5 V 到 65 V 的供电电压范围
- 睡眠模式最大电流消耗为25μA
- 最大静态电流消耗为6mA
- 典型稳压器输出电压为1.8V
- 最小VDD电流限制为20mA
- 逻辑I/O电源电压范围为2.2V至5.5V
- 睡眠模式下最大电流消耗为10μA
- 最大静态电流消耗为60μA
- 4.5 V 到 65 V 的供电电压范围
- 逻辑级 I/O接口
- 内部上拉/下拉电阻范围为60kΩ至140kΩ
- 输入漏电流为±1μA
- 最大输出逻辑低电压为0.4V
- 开漏输出逻辑高漏电流为±1μA
- SLEEPN引脚电压高电平最小值为0.9V
- 最大 SLEEPN引脚电压低电平低最大值为0.6V
- SLEEPN引脚下拉输入电阻典型值为1.5MΩ
- 的可调节输出
- 输出导通电阻低侧范围为0.3Ω至0.75Ω
- 输出导通电阻高侧最大值为0.3Ω
- 输出漏电流范围为±10μA
- 典型输出转换速率为100V/μs至800V/μs
- 保护电路
- 过流保护阈值范围为1.67A至5.0A
- 过流保护屏蔽时间范围为0.9μs至2.3μs
- VS上的UVLO阈值为3.75V至4.05V
- VS上的UVLO阈值迟滞为0.12V(典型值)
- VCC_IO上的UVLO阈值范围为0.9V至1.95V
- VCC_IO的UVLO迟滞为100mV(典型值)
- 热保护典型触发阈值温度为+165°C
- 热保护温度迟滞典型值为+20°C
- 电流调节
- IREF引脚的电阻范围为12kΩ至60kΩ
- IREF的输出电压范围为0.882V至0.918V
- 调节精度为±7%
- 相位间电流调节失配典型值为0.7%
- 最大功能定时
- 睡眠时间为50μs
- 从睡眠模式唤醒时间为2.5ms
- 启用时间为1.5μs
- 禁用时间为6μs
- 时钟
- 内部时钟频率范围为11.9MHz至13.2MHz
- 外部时钟频率范围:8 MHz至20 MHz
- 外部时钟占空比范围为40%至60%
- 外部时钟检测的最低频率阈值为4MHz
- SPI定时
- SCK低/高时间最低为20ns
- SCK频率范围为5MHz至8MHz
- SDI相对于SCK上升沿的最小建立时间为10ns
- SDI相对于SCK上升沿的最小保持时间为10ns
- SCK下降沿后的有效数据输出时间范围为50ns至80ns
- SDI、SCK和CSN滤波器的典型延迟时间为10ns
- 模数转换器(ADC)/模拟输入/温度
- ADC的分辨率为13位(典型值)
- 模拟输入电压范围为0V至1.25V
- 模拟输入漏电流范围为±1µA
- 最大模拟输入频率为70kHz
- 典型驱动器温度精度为±10°C
- 电源电压测量精度范围为±4%至±7%
- 热阻
- 单层板
- 结温至环境温度的热阻为38°C/W
- 结温到壳温:1°C/W
- 4-layer 板
- 结温至环境温度的热阻为28°C/W
- 结温到壳温:1°C/W
- 单层板
- 最高温度
- 工作范围:-40 °C至+125 °C
- 结温:+165 °C
- +260°C回流焊
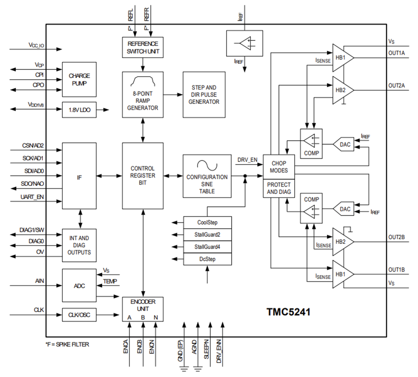
框图
发布日期: 2025-11-18
| 更新日期: 2026-01-27

