特性
- 轻松评估ADM3067E 50Mbps RS-485收发器
- 用于标准全双工RS-485占位的电路板布局
- 针对逻辑输入/输出和RS-485信号的螺丝端子板
- 针对RE和DE的跳线可选使能/禁用
- 用于测量所有信号的测试点
- 用于终端网络和偏置网络的电阻器和占位
规范
- 14引脚SOIC
- ±12kV接触放电和±12kV气隙放电
- 电源电压范围:3V至5V
必要设备
- 示波器
- 信号发生器
- 电源电压:3V至5V
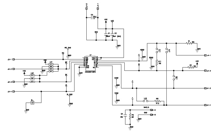
EVAL-ADM3067EEBZ示意图
发布日期: 2019-05-13
| 更新日期: 2024-01-05

