Analog Devices / Maxim Integrated MAX22212直流电机驱动器
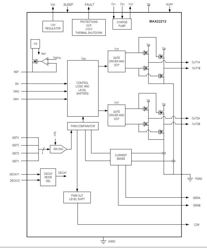
Analog Devices/Maxim Integrated MAX22212直流电机驱动器集成有大电流36V、最大 7.6A半桥,可驱动一台有刷直流电机或半台步进电机。板载H桥FET具有极低的阻抗,因此可实现高驱动效率并最大限度地减少发热。典型总导通电阻(RON,包括高侧和低侧)为0.125Ω。H桥的脉宽调制 (PWM) 控制通过三个逻辑输入(DIN1、DIN2和EN)实现。MAX22212驱动器具有精确的电流驱动调节 (CDR) 功能,可限制有刷直流电机的启动电流或控制步进操作的相电流。这些驱动器支持四种不同的衰减方法,即慢速衰减、快速衰减和两种混合衰减模式。典型应用包括步进电机驱动器、有刷直流电机驱动器、电磁阀驱动器和锁存阀。特性
- 一个H桥,额定电压为+36V:
- 总RDS(ON)(高侧+低侧):125mΩ(典型值,TA =25°C)
- 每个H桥的额定电流(TA=25°C时典型值)
- IFS _ MAX =7.6A (最大满量程电流设置,用于内部电流驱动调节)
- 推荐的最大RMS 电流:IRMS =4A RMS
- 保护:
- 每个通道过流保护(OCP)
- 欠压闭锁(UVLO)
- 热关断TJ =165°C (TSD)
- 采用TQFN32 5mm x 5mm封装或TSSOP28 4.4mm x 9.7mm封装
- 集成电流控制
- 满量程DAC电流可通过外部电阻器编程
- 内部电流检测 (IC) 消除了外部笨重电阻器,提高了效率
- 电流驱动调节监控器输出引脚(CDR引脚)
- 集成DAC可从16级设置输出电流
- 支持四种衰减模式(慢速、快速和两种混合模式)
- 固定关断时间可通过外部电阻器进行配置
- 电流检测输出(电流监视器)
- 故障指示器引脚 (FAULT)
- 低功耗模式(睡眠模式)
应用
- 步进电机驱动器
- 有刷直流电机驱动器
- 电磁驱动器
- 锁存阀
功能框图
发布日期: 2024-06-28
| 更新日期: 2024-08-05
