Analog Devices / Maxim Integrated MAX77714电源管理IC
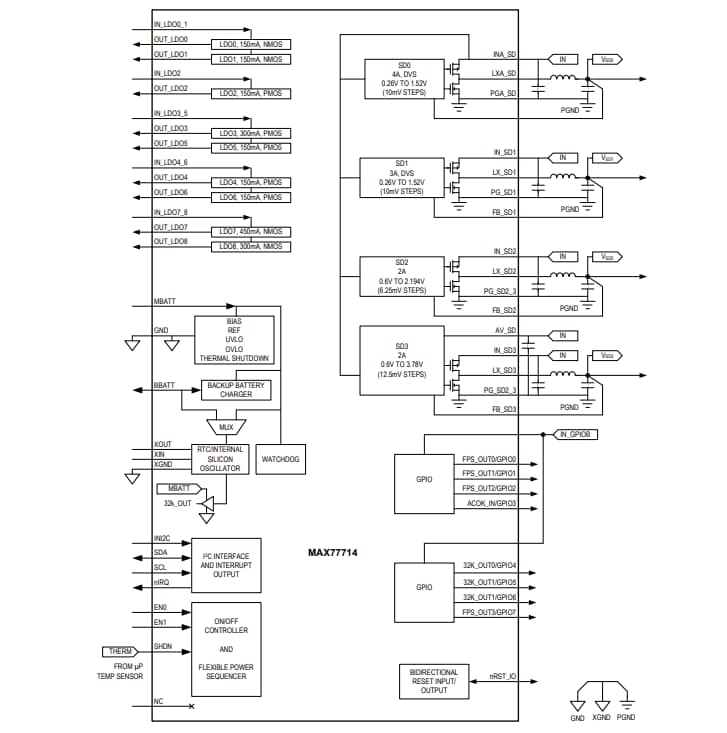
Maxim Integrated MAX77714电源管理IC (PMIC) 设计用于使用片上系统 (SoC) 应用处理器的便携式设备。该PMIC具有13个稳压器、8路通用输入/输出 (GPIO)、实时时钟 (RTC) 和灵活的电源排序器 (FPS),适用于多核应用。MAX77714 PMIC包含9个低压差 (LDO) 线性稳压器,可为各种系统模块供电。每个LDO都具有可编程有源放电电路(关断模式下)以及两种软启动速率,可限制启动期间的浪涌电流。MAX77714 PMIC包含带外部晶体振荡器的RTC,可提供计时和报警唤醒功能。该PMIC集成了开/关控制器,与FPS相结合,可为设置上电/断电顺序提供最大灵活性,并将应用处理器的干预降至最低。典型应用包括无人机、智能手机、PC、AR/VR头戴装置、机顶盒、数码相机和智能家居中心。特性
- 高度集成
- 4个降压稳压器
- 9个LDO线性稳压器
- 8路GPIO
- RTC
- 备用电池充电器
- 双向复位I/O
- 中断输出
- 系统看门狗定时器
- 低功耗
- 小尺寸
- 灵活且易于配置
- I2C兼容接口
- 提供工厂OTP选项
- 灵活的电源排序器
- 可配置上电/断电/休眠模式进入/退出定时
- 高度可配置的GPIO ALT模式
应用
- 无人机
- 智能手机
- 平板电脑
- PC
- AR/VR头戴装置
- 机顶盒
- 流媒体设备
- 智能家居中心
- 汽车售后配件
- 数码相机
其他资源
MAX77714 PMIC框图
发布日期: 2018-07-17
| 更新日期: 2022-09-02
