Analog Devices / Maxim Integrated MAX13053A扩展板
Maxim Integrated MAX13053A扩展板是一款完全组装并经过测试的PCB,设计用于评估MAX13053A高速CAN接口的功能。MAX13053A控制器局域网 (CAN) 接收器IC具有故障保护功能、扩展共模输入范围以及±25kV ESD人体模型 (HBM)。该评估套件支持Mbed或Arduino平台在CAN总线上进行通信。该扩展板设有用作电平转换器的数字隔离器。MAX13053A扩展板的工作电源电压范围为1.71V至5.5V。应用包括楼宇自动化、无人机、工业自动化、仪器仪表、电机控制、可编程逻辑控制器和智能电网设备。特性
- 集成保护提高可靠性:
- ±65V故障容限CANH和CANL
- ±25kV ESD HBM(人体模型)
- ±25V扩展共模输入范围 (CMR)
- 发射器显性超时可防止锁定
- 短路保护
- 热关断
- 该系列提供灵活的设计选项
- 高达2Mbps高速操作
必要设备
- MAX13053AESHLD Shield
- 5V, 500mA DC power supply
- Signal/function generator
- Oscilloscope
应用
- 楼宇自动化
- 无人机
- 工业自动化
- 仪器仪表
- 电机控制
- 可编程逻辑控制器
- 智能电网设备
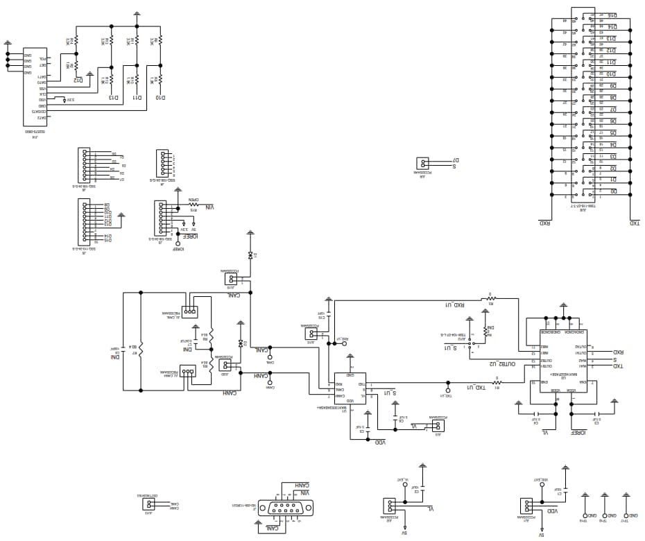
MAX13053A扩展板示意图
发布日期: 2018-08-29
| 更新日期: 2023-04-25
