特性
- 快速可靠的数字信号电隔离
- 数据速率:高达200Mbps
- 可承受3.75kVRMS,持续60秒 (VISO)
- 持续承受445VRMS (VIOWM)
- 耐受GNDA和GNDB之间的±10kV浪涌,波形为1.2/50μS
- 高CMTI(50kV/μs,典型值)
- 低功耗
- 在1Mbps时每通道 1.1mW,VDD=3.3V
- 在100Mbps时每通道3.5mW,VDD=1.8V
- 提供多种选项,支持各种应用
- 2种数据速率 (25Mbps和200Mbps)
- 3种通道方向配置
- 2种输出默认状态(高/低)
应用
- 隔离式SPI接口
- 工业自动化现场总线通信
- 隔离式RS-485/RS-422、CAN
- 电池管理
- 医疗系统
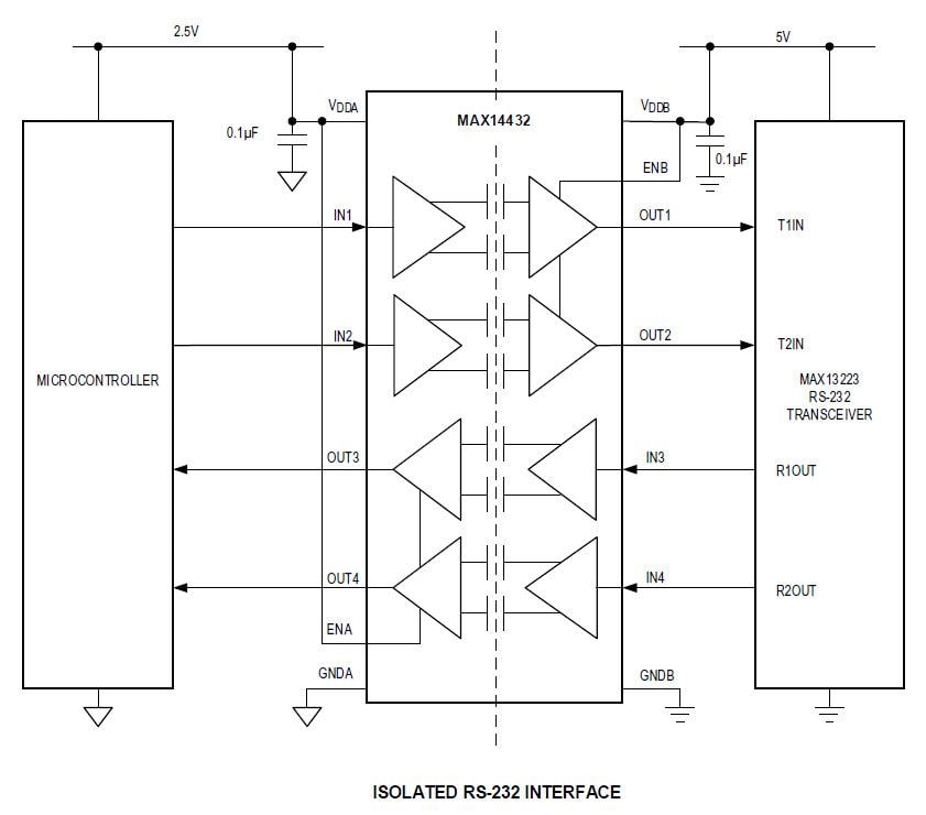
典型应用电路
发布日期: 2018-03-26
| 更新日期: 2023-04-13

