为避免电源适配器过载,可根据I2C寄存器的设置来限制智能电源选择器的输入电流。充电器支持温度依赖性充电电流。三个可配置LDO中,每个都具有专用的输入引脚。线性稳压器也可配置作为电源开关,可用于断开系统外设的静态负载。该器件设有可编程电源控制器,允许器件配置用于要求真关断或随时就绪状态的应用。
特性
- 延长电池充电间隙的系统使用时间
- 双路超低IQ 200mA降压稳压器
- 输出可编程:0.8V至2.375V和0.8V至3.95V
- 0.9μA(典型值)静态电流 (Buck 1)
- 可选固定峰值电流模式,优化噪声敏感应用中的纹波频率
- 三个超低IQ 100mA LDO
- LDO1
- 可编程输出:0.8V至3.6V
- 0.6μA(典型值)静态电流
- 2.7V至5.5V输入电压,具有专用引脚
- LDO2/3
- 可编程输出:0.9V至4V
- 1μA(典型值)静态电流
- 1.71V至5.5V输入电压,具有专用引脚
- 双路超低IQ 200mA降压稳压器
- 易于实现的锂离子电池充电
- 智能电源选择器
- 28V/-5.5V容限输入
- 热敏电阻器监测器
- 高度集成,最大程度减小解决方案的占位面积
- 提供五个稳压轨
- 每个LDO均具有开关模式选项
- 优化系统控制
- 监测器按钮,用于超低功耗模式
- 上电复位延迟和电压排序
- 片上电压监测器多路复用器
应用
- 可穿戴电子产品
- 健身监测器
- 可充电物联网设备
视频
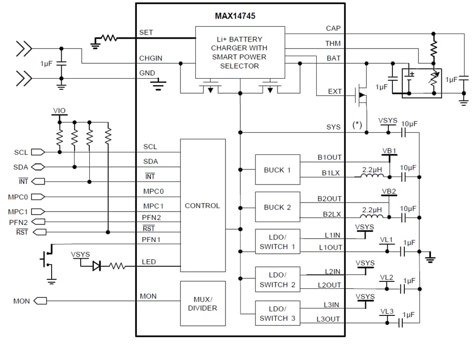
MAX14745应用电路
发布日期: 2018-04-17
| 更新日期: 2023-04-12

