Analog Devices / Maxim Integrated MAX14912EVKIT/MAX14913EVKIT评估套件
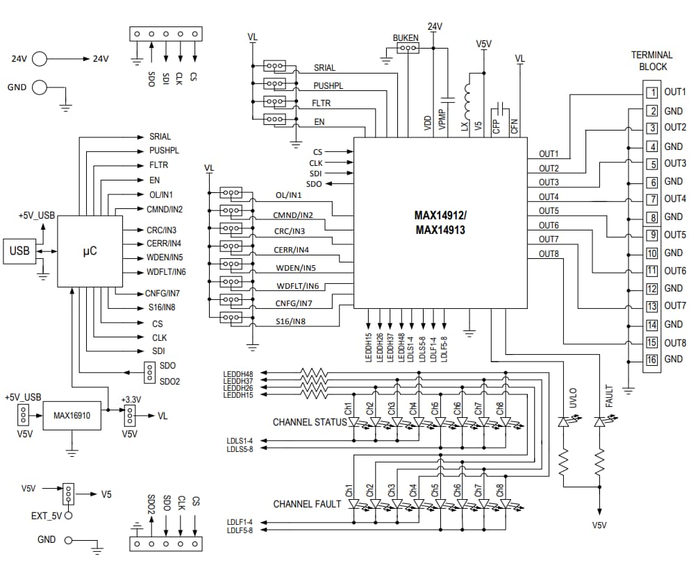
Maxim MAX14912EVKIT/MAX14913EVKIT评估套件采用经过验证的设计,用于评估MAX14912或MAX14913八通道数字输出驱动器。该评估套件包含一个评估板和一款图形用户界面 (GUI),后者可通过 USB 端口实现目标器件与 PC 之间的通信。该评估套件包含兼容 Windows 7、Windows 8 和 Windows 10 的软件,以使用集成电路特性。利用该评估套件 GUI,可在并行模式或串行 (SPI) 模式下控制 MAX14912/MAX14913。该评估套件必须使用外部+24V电源供电,在满载时消耗10A电流。MAX14912EVKIT/MAX14913EVKIT配有采用56引脚、8mm x 8mm TQFN-EP封装的MAX14912AKN+或MAX14913AKN+。特性
- 在较宽的输入电压范围内和各种负载条件下可靠运行
- 时钟速率高达20MHz的SPI接口
- 开关速率高达200kHz的并行接口
- 并行模式下手动控制
- 宽逻辑电压范围
- 温度范围:-40°C至125°C
- 板载LED状态和故障条件指示
- 具有菊花链功能
- 反向电压保护
- 经过验证的PCB布局
- 完全组装并经过测试
- Windows® 7、Windows 8和Windows 10
- 兼容软件
套件内容
- +24V电源
- 电压表(可选)
- 示波器(可选)
- 装有Windows 7、Windows 8或Windows 10系统的PC,带USB端口
MAX14912/MAX14913系统框图
发布日期: 2017-02-27
| 更新日期: 2023-04-11
