Analog Devices / Maxim Integrated MAX14912/MAX14913八通道高侧开关
Maxim MAX14912/MAX14913八通道高侧开关/推挽式驱动器具有八个640mA智能高侧开关,也可配置为用于高速开关的推挽式驱动器。从输入到高侧/低侧驱动器开关的传播延迟为1µs(最大值)。每个高侧驱动器在TA = 125°C和500mA负载电流下均具有230mΩ(最大值)的低导通电阻。该器件通过引脚或SPI接口进行配置和控制。SPI接口采用菊链连接,可有效级联多个器件。SPI还支持命令模式,以获得最详细的诊断信息。MAX14912支持在并行和串行设置模式下通过SPI进行配置,而MAX14913仅支持在串行设置模式下通过SPI进行配置。特性
- 低功耗和低散热
- 高侧RON:230mΩ(最大值,TA = 125°C)
- 5V/100mA高效率降压稳压器
- 适用于高速控制系统的快速开关
- 传播延迟:0.1µs(典型值,高侧模式)
- 传播延迟:0.5µs(典型值,推挽模式)
- 开关速率:200KHz(推挽模式)
- 电感负载的快速去磁
- 稳健运行
- 额定VDD:60V Abs(最大值)
- 安全去磁:关断无限电感
- IEC61000-4-2 8kV 气隙放电/6kV 接触放电 ESD 保护
- 对 VDD 上 TVS 的 ±1kV/42Ω 浪涌保护
- 坚固的SPI接口,带看门狗和CRC
- 环境工作温度范围:-40°C至125°C
- 全面诊断缩短了系统停机时间
- 每驱动器和芯片热关断
- 高边模式中的开路检测
- 低电源电压警告
- 欠压检测
- OUT 过压检测
- 过流检测
- 用于视觉故障和输出状态指示的 LED 驱动器
- 灵活的接口便于设计
- 串行和/或并行控制接口
- 每通道配置和监控
- 宽逻辑电压范围:1.6V至5.5V
- 小型封装和高集成度可实现紧凑的高密度I/O模块
- 56引脚QFN 8mm x 8mm封装尺寸
- 八个高侧开关/推挽式驱动器
- 菊化链SPI接口
应用
- 工业数字输出
- PLC系统
- 楼宇自动化
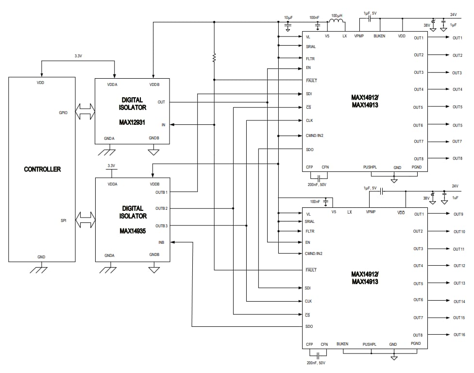
典型应用图
视频
Application Note
发布日期: 2017-02-24
| 更新日期: 2023-04-11
