Analog Devices Inc. MAX15158/MAX15158A多相升压控制器
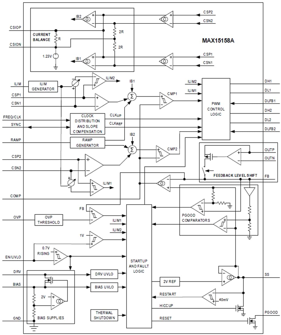
Analog Devices Inc. MAX15158/MAX15158A高压多相升压控制器设计用于支持采用单相或双相升压/反相降压-升压配置的多达两个MOSFET驱动器和四个外部MOSFET。两款器件可以堆叠以进行四相操作。MAX15158的输出电压可通过1V至2.2V参考输入 (REFIN) 动态设置,以支持模块化设计。对于MAX15158A,取消REFIN引脚,默认选择内部2.0V基准电压。开关频率通过设置内部振荡器的外部电阻器或通过将稳压器同步到外部时钟来进行控制。该器件设计用于支持120kHz至1MHz开关频率。该控制器具有专用的使能/输入欠压闭锁 (EN/UVLO) 引脚,可配置灵活的电源排序。MAX15158/MAX15158A具有专用斜坡引脚来调节内部斜率补偿。该器件具有可调过流保护功能。该器件包含电流检测放大器,可精确测量外部检测电阻器两端各相的电流,实现精确的相位电流共享。该控制器还具有输出过压、输入欠压和热关断保护等特性。该器件采用5mm x 5mm、32引脚TQFN封装,支持-40°C至+125°C结温范围。
特性
- 宽工作范围
- 用于升压配置的8V至76V输入电压范围和用于反相降压-升压配置的-8V至-76V输入电压范围
- 输出电压范围:3.3V至60V
- 开关频率范围:120kHz至1MHz
- 温度范围:-40°C至+125°C
- 单/双/四相操作
- 有源相电流平衡控制
- 集成度高,减少了设计占位
- 用于生成偏置电源的内部LDO
- 多相多控制器同步和交错
- 输出电压检测电平转换器
- 强大的故障保护功能提高了质量和可靠性
- 可调输入欠压闭锁
- 可调节逐周期峰值电流限制和快速过流保护
- 可选反馈过压保护
- 热关断
- 灵活简单的系统设计
- 可调斜率补偿
- 低侧MOSFET栅极监控,实现精确电流检测
- 使用二极管代替高侧MOSFET时,支持断续导通模式运行
- 小型5mm x 5mm TQFN封装(0.5mm间距)
应用
- 通信
- 工业
- 汽车
- 多相升压
MAX15158框图
MAX15158A框图
发布日期: 2020-04-03
| 更新日期: 2024-05-08
