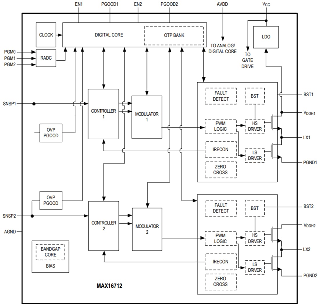
该器件的开关频率可在500kHz至2.0MHz之间配置。它能够在解决方案尺寸和性能方面优化设计。MAX16712采用固定频率、电流模式控制,具有内部补偿功能。双开关稳压器以180°异相工作。该IC采用高级调制方案 (AMS) 和可选的断续电流模式 (DCM) 工作,以提高性能。通过将引脚搭接电阻器从PGM_引脚接地,也可选择操作设置和配置特性。
Analog Devices MAX16712具有内部1.8V低压差 (LDO) 输出,为栅极驱动器 (VCC) 和内部电路 (AVDD) 供电。该模块集成了多种保护功能,包括正负过流保护、输出过压保护和过热保护,确保设计稳健。该器件采用紧凑的2.2mmx3.5mm晶圆级封装 (WLP)。它支持的工作结温范围:-40°C至125°C。
特性
- 功率密度高、元件数量少
- 双输出或双相操作
- 单电源运行,集成LDO,用于偏置生成
- 紧凑型2.2mmx3.5mm、28焊球WLP封装
- 内部补偿
- 宽工作范围
- 输入电压范围:2.7V至16V
- 输出电压范围:0.5V至5.8V
- 可配置开关频率:500kHz至2MHz
- 结温范围:-40°C至+125°C
- 三个可编程引脚,用于选择不同的配置
- 每个输出独立使能和电源良好
- 优化的性能和效率
- 90.5%峰值效率:VDDH=12V、VOUT=1.8V和fSW=1MHz
- 交错式180°异相工作
- 可选AMS,改善负载瞬态
- 可选DCM,提高轻负载效率
- 有源电流平衡,用于双相操作
应用
- 通信设备
- 网络设备
- 服务器和存储设备
- 负载点 (POL) 稳压器
- µP芯片组
- 内存VDDQ
- FPGA/DSP/MCU的I/O引脚
框图
发布日期: 2021-11-18
| 更新日期: 2023-04-17

