特性
- ModelGauge m5算法
- 监测单节电池或多节电池组
- 板载LED阵列
- 热敏电阻测量网络
- 可选板载PCB迹线检测电阻
- 兼容Windows 7或更高版本的软件
- 经过验证的PCB布局
- 完全组装并经过测试
- 必要设备:
- MAX17263G评估套件
- 所需配置的锂电池组
- 电池充电器或电源
- 负载电路
- DS91230+ USB适配器
- RJ-11 6位反向模块化电源线
- 配备Windows 7或更新Windows操作系统和USB端口的PC
必要设备
- MAX17263GEVKIT evaluation kit
- A lithium battery pack of the desired configuration
- Battery charger or power supply
- Load circuit
- DS91230+ USB adapter
- RJ-11 6pos reverse modular cord
- PC with Windows 7 or newer Windows operating system and USB port
视频
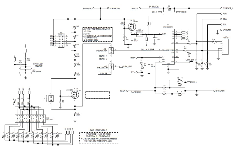
MAX17263G板应用电路图
MAX17263G板示意图
发布日期: 2018-08-19
| 更新日期: 2023-04-25

