The Analog Devices MAX17509 Step-Down DC-DC Converter is available in a 5mm x 5mm Thin Quad Flat No-Lead (TQFN) package with an exposed pad for enhanced thermal performance. The device operates over the -40°C to +125°C temperature range, with thermal sensing and shutdown provided for overtemperature (OT) protection.
特性
- 减少直流-直流稳压器的库存数量
- 输出电压范围( 0.904V-3.782V 和 4.756V-5.048V,分辨率为 20mV)
- 可以配置为两个独立的输出 (3A/3A) 或双相位单输出 (6A)
- 减轻噪声问题和 EMI
- 可调开关频率,带可选 0/180° 相移
- 外部频率同步
- 符合EN55022 (CISPR22) B类辐射和传导EMI标准
- 可调节开关转换率
- 可靠运行
- 稳健的故障保护(VIN_UVLO、UV / OV、UC/ OC、OT)
- 电源良好
- 易于系统设计
- 全陶瓷电容器解决方案
- 自动配置内部补偿
- 可选断续或砖墙模式
- 软停止模式和预偏置启动情况下的可调节软启动上升/下降时间
- 工作温度范围:-40°C至+125°C
应用
- FPGA和DSP核心电源
- 工业控制设备
- 多负载点 (POL) 电源
- 基站负载点稳压器
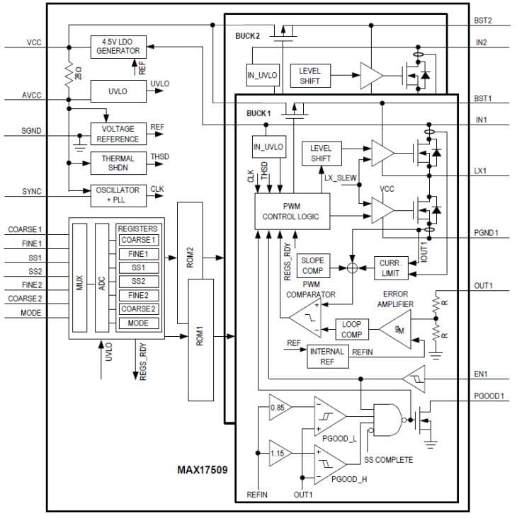
功能框图
发布日期: 2016-03-04
| 更新日期: 2023-04-12

