特性
- 减少外部元件数量,降低总体成本
- 无肖特基同步运行
- 内部补偿元件
- 全陶瓷电容器、紧凑布局
- 减少直流-直流稳压器库存数量
- 4.5V至60V的宽输入范围
- 可调输出范围:0.9V至90% VIN
- 在每个输出端提供高达3A电流(整个温度范围内)
- 100kHz至1.1MHz可调频率,可实现与外部时钟同步
- 采用32引脚、5mm x 5mm TQFN封装
- 针对各输出的独立输入电压引脚
- 降低功耗
- 90.3%的峰值效率
- PFM和DCM模式提高了轻负载效率
- 辅助电压自举电源 (EXTVCC),用于提高效率
- 5.2μA关断电流
- 在恶劣工业环境中可靠工作
- 断续模式过载保护
- 用于各输出的独立可调软启动引脚和可编程EN/UVLO引脚
- 单调启动,提供预偏置输出电压
- 针对各输出的内置独立输出电压监控(带RESET)
- 过热保护
- -40°C至+125°C的高工业环境工作温度范围/-40°C至+150°C结温范围
应用
- 工业控制电源
- 通用负载点
- 分布式电源调节
- 基站电源
- 壁式变压器调节
- 高压单板系统
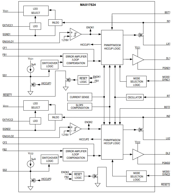
框图
发布日期: 2018-04-09
| 更新日期: 2023-04-11

