特性
- 宽输入电压范围:7V至60V
- 高度集成的解决方案,内置屏蔽电感
- 5V可编程输出电压,高达4A输出电流
- 450kHz开关频率
- 效率高达92.1%(VIN = 24V,VOUT = 5V,IOUT = 2.5A)
- 全陶瓷电容器、超紧凑的解决方案尺寸
- 可选的PWM、DCM和PFM模式
- 可编程4ms软启动时间和预偏置启动
- 开漏RESET输出上拉至5V VCC
- 可编程EN/UVLO阈值
- 提供外部频率同步
- 断续模式过流保护 (OCP)
- 过热保护 (OTP)
- 工业温度范围:-40°C至125°C
- 符合CISPR22 (EN55022) B类
- 传导和辐射排放标准
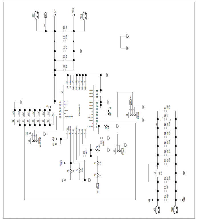
原理图
发布日期: 2019-11-19
| 更新日期: 2023-05-04

