特性
- 工作电压范围:4.5V至60V
- 在输入端采用TVS二极管,在输出端采用肖特基二极管
- 评估UVLO、OVLO、三种限流类型和限流阈值
- UVLO设定为4.5V
- OVLO设定为36V
- 跳线可配置限流(默认选择为250mA)
- 限流模式默认设置为自动重试
- 经过验证的PCB布局
- 完全组装并经过测试
应用
- 状态监测
- 工厂传感器
- 工业应用,如PLC、网络控制模块、电池供电模块
- 过程仪表
- 传感器系统
- 称重和配料系统
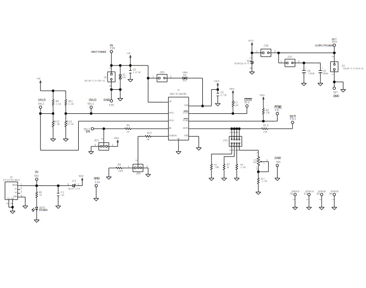
示意图
发布日期: 2018-10-26
| 更新日期: 2023-04-24

