MAX17631采用峰值电流模式控制架构。该器件可在强制脉宽调制 (PWM) 、脉冲频率调制 (PFM) 或断续导通模式 (DCM) 下工作,从而在满载和轻负载条件下实现高效率。MAX17631具有极短导通时间,可提高开关频率并缩减解决方案尺寸。MAX17631A/MAX17631B/MAX17631C在-40°C至+125°C范围内的反馈电压调节精度为±1.2%。
特性
- 减少外部元件数量,降低总体成本
- 无肖特基同步运行
- 内部补偿元件
- 全陶瓷电容器、紧凑布局
- 减少直流-直流稳压器库存数量
- 宽输入电压范围:4.5V至36V
- 可调输出电压范围:0.9V至90% VIN
- 在整个温度范围内提供高达1.5A电流
- 400kHz至2.2MHz可调频率,可实现与外部时钟同步
- 采用16引脚、3mm x 3mm TQFN封装
- 降低功耗
- 峰值效率:95%
- PFM和DCM模式提高了轻负载效率
- 辅助电压自举电源 (EXTVCC),用于提高效率
- 关断电流:2.8µA
- 在恶劣工业环境中可靠工作
- 断续模式过载保护
- 可调节单调启动,提供预偏置输出电压
- 内置输出电压监控,带RESET
- 可编程EN/UVLO阈值
- 过温保护
- -40°C至+125°C的高工业环境工作温度范围/-40°C至+150°C结温范围
应用
- 工业控制电源
- 通用负载点
- 分布式电源调节
- 基站电源
- 壁式变压器调节
- 高压单板系统
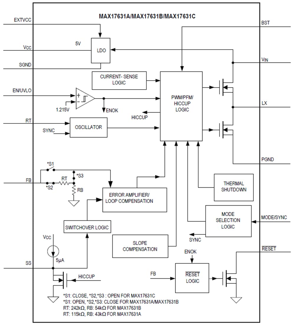
功能图
发布日期: 2019-12-03
| 更新日期: 2023-05-05

