Analog Devices / Maxim Integrated MAX17662同步降压直流-直流转换器
Maxim MAX17662同步降压直流-直流转换器配有集成MOSFET,工作输入电压范围为3.5V至36V,可提供高达2A电流。输出电压可设定为0.6V至90% VIN。内部补偿覆盖整个输出电压范围,因此无需外部补偿元件。MAX17662采用峰值电流模式控制架构。MAX17662可在强制脉宽调制 (PWM) 或断续导通模式 (DCM) 下工作,以便在满负载和轻负载条件下实现高效率。MAX17662具有极短导通时间,可提高开关频率并缩减解决方案尺寸。在-40°C到+125°C范围内,反馈电压调节精确度达±1.33%。该器件采用16引脚 (3mm x 3mm) TQFN封装。特性
- 减少外部元件数量,降低总体成本
- 无肖特基同步运行
- 内部补偿元件
- 全陶瓷电容器、紧凑布局
- 减少直流-直流稳压器库存数量
- 宽输入电压范围:3.5V至36V
- 可调输出电压范围:0.6V至90% VIN
- 在整个温度范围内提供高达2A电流
- 可调频率:400kHz至2.2MHz
- 采用16引脚、3mm x 3mm TQFN封装
- 降低功耗
- 峰值效率:95%
- DCM模式可提高轻负载效率
- 2.4V至12V宽自举偏置输入 (EXTVCC),用于提高效率
- 6.5μA关断电流
- 在恶劣工业环境中可靠工作
- 断续模式过载保护
- 可调节单调启动,提供预偏置输出电压
- 内置输出电压监控,带RESET
- 可编程EN/UVLO阈值
- 过温保护
- -40°C至+125°C的高工业环境工作温度范围和-40°C至+150°C结温范围
应用
- 工业控制电源
- 通用负载点
- 分布式电源调节
- 基站电源
- 壁式变压器调节
- 高压单板系统
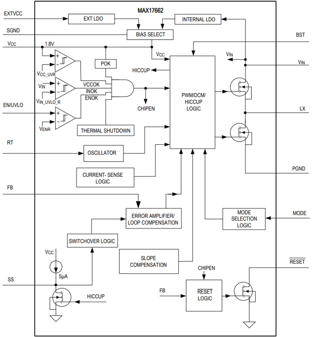
框图
发布日期: 2019-12-12
| 更新日期: 2023-05-08
