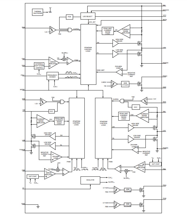
MAX17673A具有独立峰值电流模式控制、断续模式过流保护,在三个稳压器中支持输入和电源正常信号。该器件的开关频率可在1MHz至4MHz之间调节(LV稳压器),HV稳压器可设定在LV稳压器的小数开关频率下运行。HV稳压器提供可调软启动功能,而LV稳压器提供内部固定软启动。用户可选择在脉冲频率调制 (PFM) 或强制脉冲宽度调制 (PWM) 模式下使用该器件。
该器件的工作温度范围为-40°C至+125°C,非常适合用于工业控制电源、基站电源和高压单板系统。
特性
- 减少外部元件数量,降低总体成本
- 同步工作,实现高效率
- 内部补偿,适应宽输出电压范围
- 全陶瓷电容器、紧凑布局
- 集成三个直流-直流稳压器
- HV稳压器4.5V至60V宽输入电压范围;LV稳压器2.7V至5.5V输入范围。
- 可调输出电压:0.9V至5.5V输出(HV稳压器);0.75V至4.8V输出(LV稳压器)
- 提供负载电流高达1.5A(HV稳压器)和1A(LV稳压器)
- 可调开关频率:250kHz至800kHz(HV稳压器)和1MHz至4MHz(LV稳压器)
- 可编程LV/HV开关频率比(2、3、4、5、6、7、8)
- EN/UVLO(HV降压);EN(LV稳压器)
- 降低功耗
- 静态电流:550μA(PFM模式);10.2mA(PWM模式)
- 峰值效率>92%
- 辅助电压自举LDO,用于提高效率
- PFM模式,提高轻负载效率
- 7.4μA关断电流
- 在恶劣工业环境中可靠工作
- 峰值电流限值保护
- 断续模式过载保护
- 软启动,以降低启动过程中的冲击电流(针对HV稳压器可调)
- 内置输出电压监控,通过POKH、POKA和POKB
- 单调启动至预偏置负载
- 过热保护
- 工作温度范围:-40°C至+125°C
应用
- 工业控制电源
- FPGA/CPLD电源
- 分布式电源调节
- 基站电源
- 高压单板系统
框图
发布日期: 2019-02-08
| 更新日期: 2023-04-21

