Analog Devices MAX17691A和MAX17691B采用低RDS(ON) 、76V、170mΩ集成nMOSFET一次开关,设计用于在4.2V至60V宽电源范围内工作。这些器件的开关频率可设定为100kHz至350kHz。EN/UVLO支持用户在理想的输入电压情况下精确地开/关电源转换器。使用OVI引脚可实现输入过压保护(仅限MAX17691A)。软启动可限制启动时的浪涌电流。MAX17691A和MAX17691B支持外部时钟同步,避免在具有多个转换器的系统中的输入总线上出现低频“波动”。这些器件还具有可编程频率抖动,用于低EMI展频工作。
MAX17691A和MAX17691B可对输出整流器二极管正向压降的变化进行温度补偿。MAX17691A具有内部补偿环路稳定性,而MAX17691B则具有外部环路补偿灵活性。MAX17691A和MAX17691B具有强大的断续保护和热保护方案,采用节省空间的12引脚、3mm x 3mm TDFN封装,温度范围为-40°C至+125°C。
特性
- 减少外部元件数量,降低总体成本
- 无需光耦合器和二次侧误差放大器
- 节省高达20%空间
- 76V、低RDS(ON 集成nMOSFET
- 内部环路补偿(仅限MAX17691A)
- 内建软启动
- 降低功耗
- 效率:>90%
- 提供高达7.5 W输出功率
- 频率折返模式提高了轻负载效率
- 关断电流:2.5µA
- 支持关键的系统级设计要求
- 频率抖动支持低EMI展频工作
- 开关频率同步
- 符合CISPR22 B类EMI要求
- 在恶劣环境中可靠工作
- 可选输出电压温度补偿
- 断续电流限制保护
- 可编程EN/UVLO阈值
- 输入过压 (OVI) 保护(仅MAX17691A)
- 过热保护
- -40 °C至+125 °C的高工业环境工作温度范围
- -40 °C至+150 °C结温范围
应用
- 隔离式电源
- PLC I/O模块
- IGBT栅极驱动电源
- 工业和电信
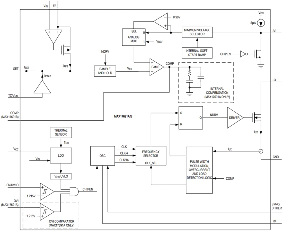
功能框图
发布日期: 2020-08-25
| 更新日期: 2025-02-21

