Analog Devices MAX17702铅酸电池充电器控制器可在-40°C至+125°C宽温度范围内工作,为铅酸电池提供完整的充电解决方案,可实现±4%精确恒流调节。输出电压可在1.25V至 (VDCIN - 2.1V) 范围内编程设定,调节精度为±1%。该器件使用外部nMOSFET提供输入电源侧短路保护,防止电池放电。
MAX17702以恒定电流 (CC)、恒定吸收电压 (CV) 状态为电池充电,并在检测到锥形电流阈值或吸收CV定时器在吸收CV状态下超时后进入浮动CV状态。深度放电检测比较器可检测和预处理深度放电电池。
MAX17702采用24引脚4mmx4mm TQFN封装,带裸露焊盘。
特性
- 为铅酸电池优化了功能集
- 充电电流调节精确度:±4%
- 充电电流监视精确度 (ISMON):±6%
- 电压调节精度:±1%
- 可编程恒定电流 (CC) 模式充电电流 (ILIM)
- 电池满电检测,带锥形电流阈值和吸收CV定时器 (TMR)
- 宽输入电压范围:4.5V至60V
- 可调输出电压范围从1.25V直至 (VDCIN - 2.1V)
- 可调频率:125kHz至2.2MHz
- 外部时钟同步 (RT/SYNC)
- 在恶劣环境条件下可靠运行
- 输入短路保护 (GATEN)
- 深度放电电池检测和预处理 (DDTH)
- 温度范围 (TEMP) 内时,电池温度检测和充电
- 输出电压温度补偿
- 逐周期过流限制
- 可编程EN/UVLO阈值
- 使用开漏输出(FLG1和FLG2)监控状态输出
- 过温保护
- 宽环境工作温度范围(-40°C至+125°C)/结温范围(-40°C至+150°C)
应用
- 工业电池充电和能量存储
- 电动工具
- 电池备份,用于照明、安全摄像头和控制面板
- 便携式工业设备
- 楼宇和家居自动化备用电源
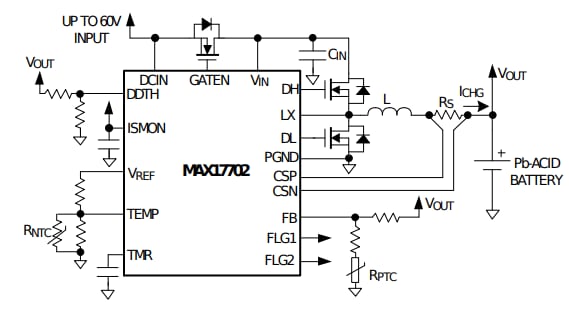
简化应用电路
发布日期: 2021-05-27
| 更新日期: 2023-04-12

