MAX17703控制器可在-40°C至+125°C宽温度范围内工作,为锂离子电池提供完整的充电解决方案,具有±4%精确恒定电流。输出电压可在1.25V至 (VDCIN - 2.1V) 范围内编程设定,调节精度为±1%。
Analog Devices MAX17703锂离子电池充电器控制器使用外部nMOSFET提供输入电源侧短路保护,防止电池放电。该器件以恒定电流 (CC) 和恒定电压 (CV) 状态为电池充电,并在锥形定时器结束后在充满电状态下端接。
MAX17703采用24引脚4mmx4mm TQFN封装,带裸露焊盘。
特性
- 经优化的锂离子电池功能集,包括锂聚合物、LiFePO4和锂钛酸电池
- 充电电流调节精确度:±4%
- 充电电流监视精确度 (ISMON):±6%
- 电压调节精度:±1%
- 可编程恒定电流 (CC) 模式充电电流 (ILIM)
- 电池满电充电终止检测,具有锥形电流阈值和锥形定时器
- 宽输入电压范围:4.5V至60V
- 可调输出电压范围从1.25V直至 (VDCIN - 2.1V)
- 125kHz至2.2MHz可调频率,可实现与外部时钟同步
- 在恶劣环境条件下可靠运行
- 输入短路保护 (GATEN)
- 安全定时器特性 (TMR)
- 深度放电电池检测和预处理 (DDTH)
- 温度范围 (TEMP) 内时,电池温度检测和充电
- 逐周期过流限制
- 可编程EN/UVLO阈值
- 使用开漏输出(FLG1和FLG2)监控状态输出
- 过温保护
- 符合CISPR 32 (EN55032) B类传导和辐射排放标准
- 宽环境工作温度范围(-40°C至+125°C)/结温范围(-40°C至+150°C)
应用
- 工业电池充电和能量存储
- 电动工具和手持式终端
- 电池备份,用于照明、安全摄像头和控制面板
- 便携式工业和医疗设备
- 楼宇和家居自动化备用电源
视频
简化应用电路
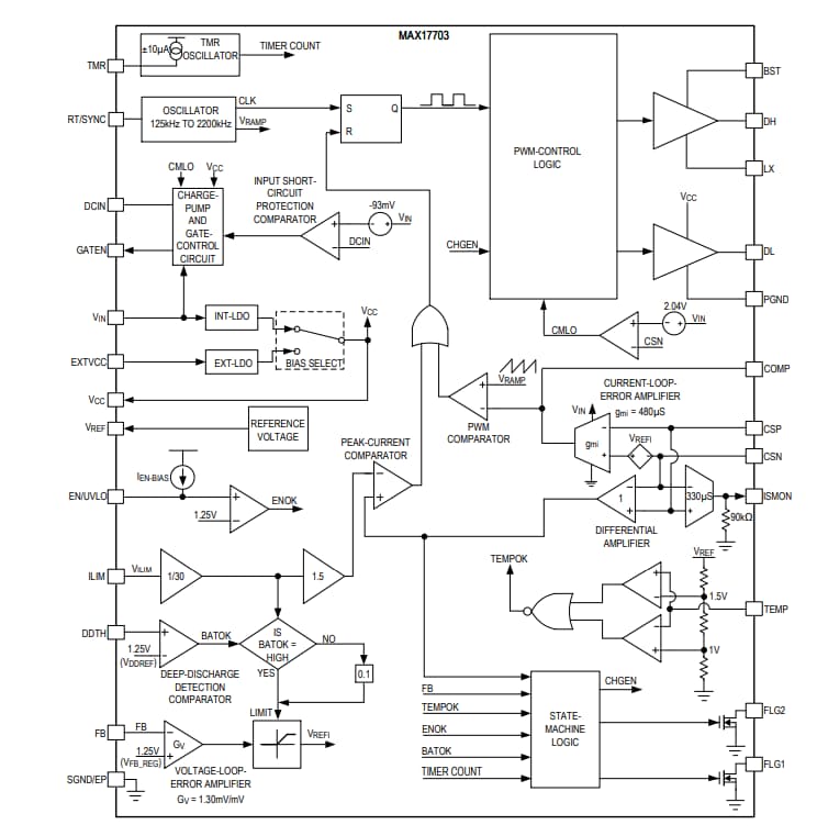
功能框图
发布日期: 2021-05-27
| 更新日期: 2023-04-12

