模拟前端将12通道电压测量数据采集系统与高压开关组输入结合在一起。所有测量在各节电池之间均以差异的方式进行。满量程测量范围为0V至5.0 V,可用范围为0.2 V至4.8 V。高速逐次逼近(SAR)模数转换器用于通过过采样对14位分辨率的电池电压进行数字化。所有12节电池均可在142μs内测量。MAX17843采用2-scan方法收集电池测量值并对其进行校正。这种双相方法在整个温度范围内以及面对系统内极端噪声时可实现出色的精度。
MAX17843具有两个辅助模拟输入,可用于测量外部热敏电阻元件。负温度系数 (NTC) 热敏电阻可通过AUXIN模拟输入进行配置,以精确监控模块或电池温度。热过载检测器可禁用MAX17843的线性稳压器以保护IC,另外还可提供裸片温度测量。
特性
- 12电芯电池电压测量,用于锂离子、镍氢电池或超级电容电池
- 2个辅助模拟输入,用于NTC热敏电阻或绝对电压测量
- 裸片温度测量和警报
- 高精度差分测量I/O
- 精度:±2mV(+25°C,3.6V时)
- 集成12通道数据采集系统
- 差分高压多路复用器至ADC
- 具有过采样功能的14位ADC分辨率
- 在142μs内测量12个电池电压
- 模块电压测量
- 冗余ADC
- 电池故障检测
- 过压和欠压数字阈值检测
- 增强型诊断功能,用于故障检测,支持ASIL和FMEA
- 12个内部电池平衡开关
- 每个开关支持高达150mA电流
- 紧急电池放电模式
- 集成9V至65V输入线性稳压器
- 集成温度补偿、电压基准
- 强大的差分菊花链UART接口
- 单个菊花链中多达32个连接IC
- 兼容直接MCU连接
- 标准UART字节,速率为2Mb/s(最大值)
- 4条通用数字I/O线路
- 内置诊断功能,可符合ASIL D和FMEA要求
- 超低功耗
- 待机模式电源电流:2.0mA(典型值)
- 关断模式漏电流:3µA
- 工作温度范围:-40°C至+125°C(AEC-Q100 1级)
- 64引脚、无引线/符合RoHS指令、10mmx10mm LQFP封装
应用
- 48V汽车电池模块或系统
- 电池组
- 电动自行车
- 大功率电池备份系统
- 高压电动汽车 (EVS)
- 混合动力电动汽车 (HEV)
- 电动工具
- 超级电容器备份系统
视频
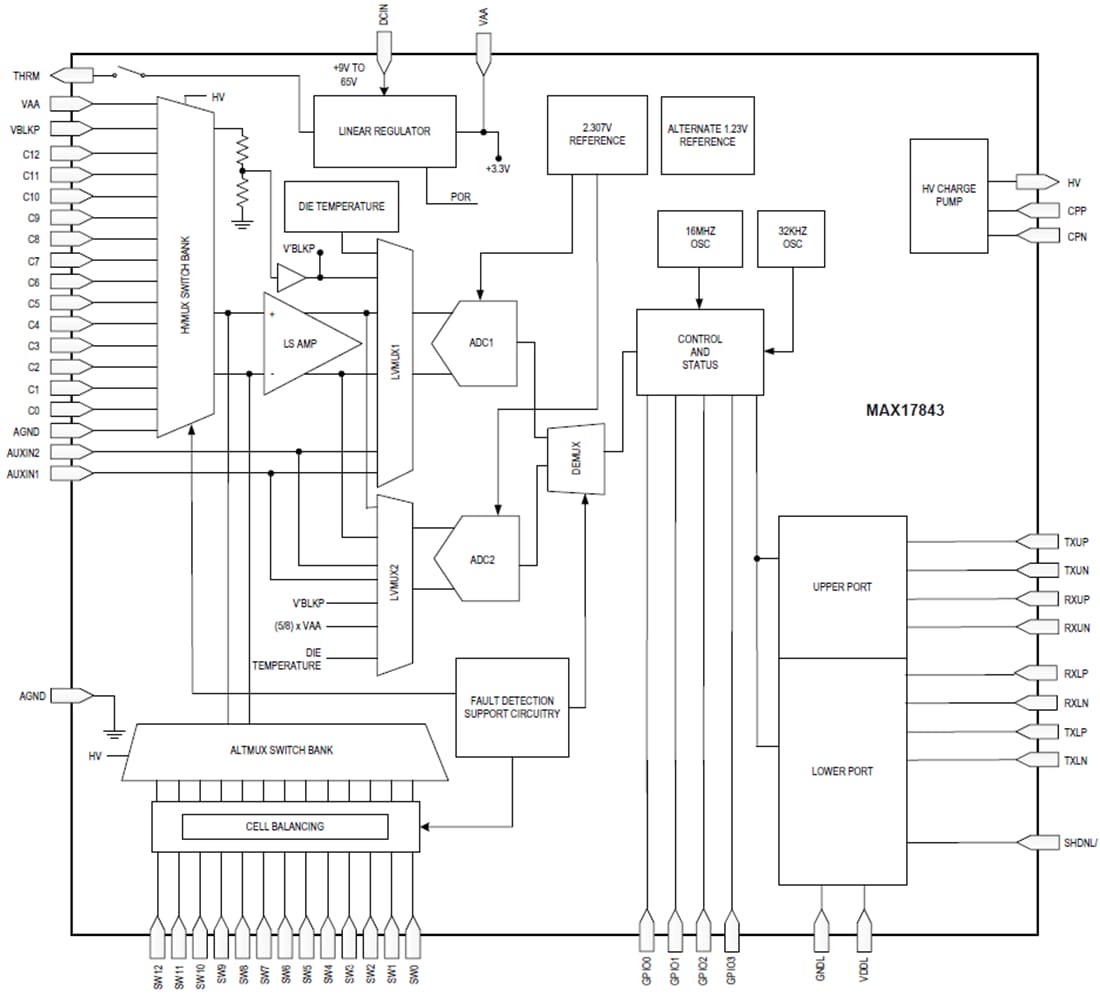
功能框图
设计解决方案
发布日期: 2020-01-10
| 更新日期: 2024-04-16

