这些降压转换器具有2.2MHz固定频率PWM模式,可实现更好的抗噪性和负载瞬态响应。2.2MHz工作频率支持全陶瓷电容器,最大限度地减少外部元件数量。扩频调制选项可最大限度地抑制电磁辐射。集成的低RDS (ON) 开关提高了重负载时的效率,布局比分立式解决方案更简单。
该模块具有出厂预设的输出电压。I2C接口支持动态电压调整,转换率可编程。其他特性包括可编程软启动、过流和过热保护。Analog Devices MAX20011C、MAX20011D、MAX20011G降压转换器采用3.5mm x 4.0mm、17引脚侧面可湿FC2QFN封装。
特性
- 高效率直流-直流转换器
- 峰值输出电流:高达16 A
- MAX20011B: 12 A
- MAX20011C: 16 A
- MAX20011D: 12 A
- 差分远程电压检测
- 3.0 V 到 5.5 V 工作电源电压
- I2C控制输出电压(0.5V至1.275V,6.25mV步进)
- 出色的负载瞬态性能
- 可编程补偿
- 2.2MHz或1.1MHz工作
- 输出电压精度:±1.5%
- RESET输出
- 电流模式、强制PWM运行
- 符合ASIL D标准
- 冗余参考
- BIST诊断
- I2C上PEC
- 可编程OV/UV,精度为±1%
- 过热和短路保护
- 3.5mm x 4.0mm 17引脚侧面可湿FC2QFN
- 汽车温度范围:-40°C至+125°C(1级)
应用
- 汽车ADAS系统
- SoC内核电源
视频
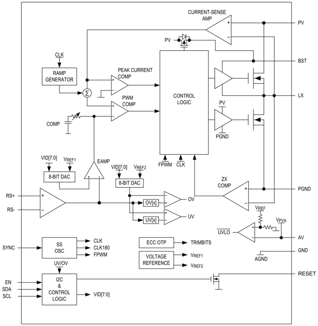
框图
发布日期: 2021-11-08
| 更新日期: 2024-06-10

