MAX20012B在整个负载、线路和温度范围内可实现±2%输出误差。该IC具有2.2MHz固定频率PWM模式,可实现更好的抗噪性和负载瞬态响应,具有脉冲频率调制模式(跳跃),以提高轻载运行时的效率。该器件采用2.2MHz工作频率,因此可以使用全陶瓷电容器,从而最大限度地减少外部元件数量。可编程扩频调制可最大限度地抑制电磁辐射。
MAX20012B具有出厂预设的输出电压(请参阅选型指南,了解选项情况)。I2C接口支持动态电压调整,每个通道的转换率均可编程。其他特性包括可编程软启动以及过流和过热保护。
MAX20012B降压控制器采用带裸露焊盘的32引脚薄型四方扁平无引线 (TQFN) 封装,符合汽车应用类AEC-Q100标准。
特性
- 双通道高效直流-直流控制器,解决方案尺寸小
- 工作电源电压:3.0V至5.5V
- OUT1支持24A,具有两相
- OUT2支持12A
- 用于应用处理器的高精度稳压器
- 输出电压精度:±2%
- 差分远程电压检测
- I2C控制输出电压:0.5V至1.27V(10mV步进)
- 0.625 V至1.5875 V(12.5 mV步进)
- 出色的负载瞬态性能
- 低噪声可以降低EMI
- 工作频率:2.2MHz
- 扩频选项
- 频率同步输入/输出
- 电流模式、强制PWM和跳跃工作模式
- 坚固耐用,适用于汽车环境
- 独立使能输入和PGOOD输出
- 低RDS(ON) 外部FET
- 过热和短路保护
- 工作温度范围:-40°C至+125°C
- TQFN-EP-32封装 (5mm × 5mm)
- 符合 AEC-Q100
- 无铅,符合RoHS指令
应用
- 汽车
- 内核处理器系统/GPU电源
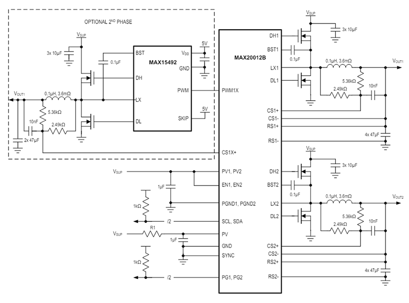
典型工作电路
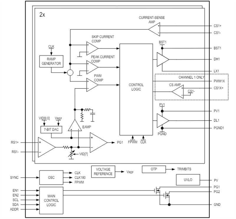
内部方框图
发布日期: 2020-04-10
| 更新日期: 2024-05-10

