Analog Devices Inc. MAX20029x汽车级PMIC
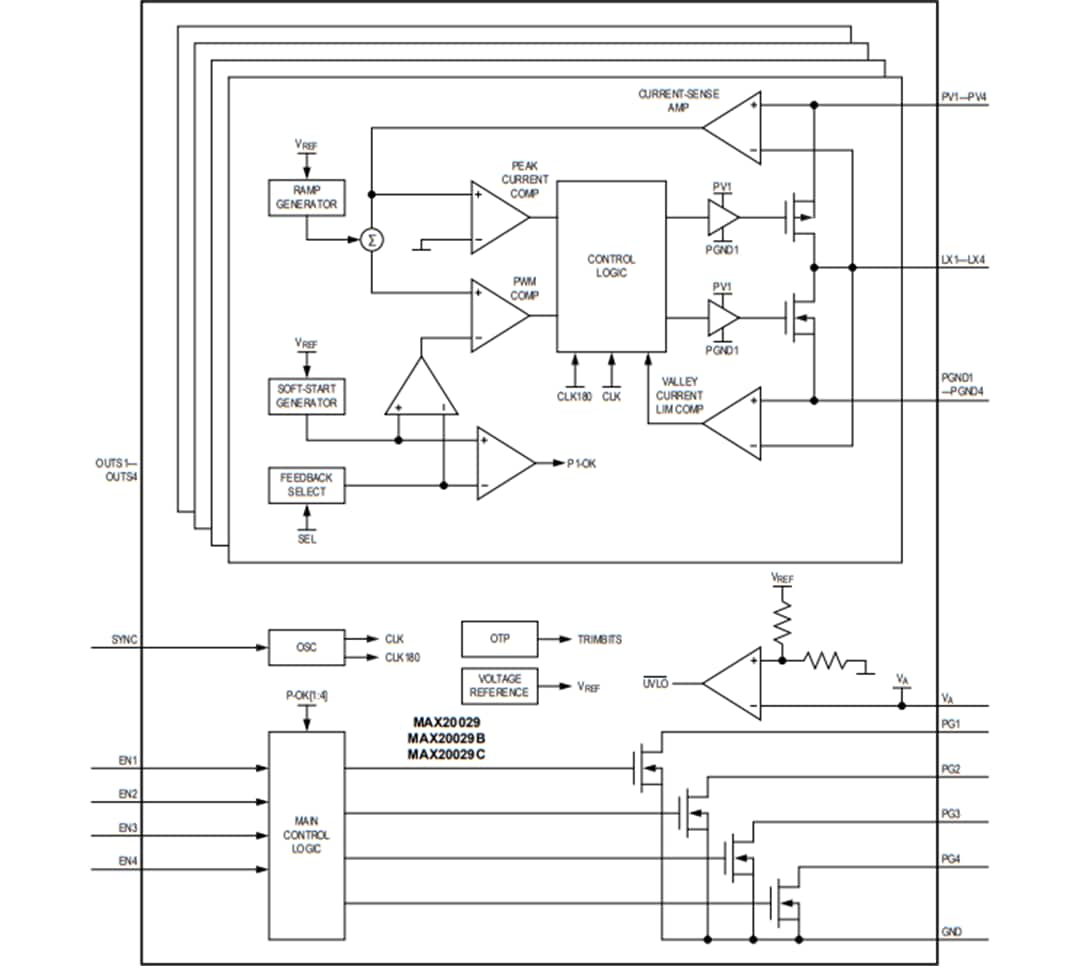
Analog Devices Inc. MAX20029x汽车级PMIC(电源管理IC)集成了四个低压、高效、降压直流-直流转换器。四个输出均可在出厂时或通过电阻器设定为0.7V至4.0V电压范围。MAX20029具有四个1.5 A通道。MAX20029B具有两个1.5A/3.0A通道。MAX20029C具有四个1.5A通道,VOUT 低至0.7V。MAX20029D具有两个0.5A/1.5A通道,通过组合通道1和通道2,实现单个2A/3A通道。这些PMIC的工作电压范围为3.0 V至5.5 V,非常适合用于汽车负载点 (PoL) 和后置稳压应用。MAX20029、MAX20029B、MAX20029C和MAX20029D可在固定频率PWM模式下工作,开关频率为2.2MHz。高频运行支持全陶瓷电容设计和小尺寸外部元件。低电阻片上开关可确保高负载时的高效率,同时最大限度地降低关键电感,使布局对于分立式解决方案而言是一项非常简单的任务。内部电流检测和环路补偿可节省电路板空间并降低系统成本。
该PMIC具有扩频选项,可减少辐射。四个降压转换器中有两个通过内部时钟以180°异相的方式运行。该特性降低了必要的输入电容,提高了EMI。所有四个降压转换器均在AM频段外在恒定PWM模式下工作。PMIC提供SYNC输入以同步到外部时钟。
MAX20029、MAX20029B、MAX20029C和MAX20029D提供单独的使能输入、电源良好/复位输出以及工厂可编程PG时间。
这些器件具有多种重要保护特性,包括输入过压保护、输入欠压锁定、逐周期电流限制和过热关断。MAX20029、MAX20029B、MAX20029C和MAX20029D PMIC采用带裸露焊盘的28引脚TQFN封装,符合汽车应用类AEC-Q100标准。
特性
- 集成FET的四通道降压直流-直流转换器
- MAX20029:多达四个1.5A通道
- MAX20029B、MAX20029D:多达一个3 A + 两个1.5 A通道
- MAX20029C:多达四个1.5A通道,具有0.7V低VOUT
- 输入电压范围:3.0 V至5.5 V
- 固定或可调输出电压:1.0V至4.0V
- 开关频率:2.2MHz
- 设计用于提高汽车EMI性能
- 强制PWM运行
- 两个通道180°异相
- SYNC输入
- 扩频选项
- 软启动和电源排序可降低涌入电流
- 独立使能输入和电源良好输出,简化排序
- 欠压输入电压监控
- 过热和短路保护
- 工作温度范围:-40°C至+125°C
- TQFN-EP-28封装 (5.0mm × 5.0mm x 0.8mm)
- 符合 AEC-Q100
- 无铅,符合RoHS指令
应用
- 汽车负载点 (PoL) 应用
- 分布式直流电源系统
典型应用电路
框图
发布日期: 2020-04-10
| 更新日期: 2024-05-10
