Analog Devices Inc. MAX20030/1汽车降压控制器
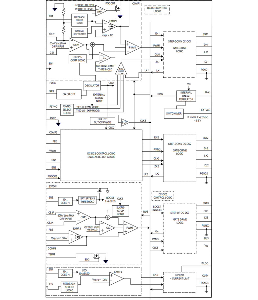
Analog Devices Inc. MAX20030和MAX20031汽车降压控制器是2.2MHz双路同步降压控制器,集成了预升压控制器和低IQ LDO。该预升压控制器支持VOUT1 和VOUT2 在冷启动操作期间保持稳压,直至电池输入低至2V。MAX20030和MAX20031设有两个高压同步降压控制器,可在180°异相下工作。这些器件的工作输入电压范围为3.5V至42.0V,可通过97%占空比在低压差条件下运行。这些降压控制器非常适合用于可在宽输入电压范围(如汽车冷启动或发动机 停止启动条件)内工作,具有中高功率要求的应用。MAX20030和MAX20031降压控制器的工作频率高达2.2MHz,支持使用小型外部元件,减少输出纹波,并消除AM频段干扰。开关频率可通过电阻器在220kHz至2200kHz范围内调节。SYNC输入可编程性支持三种频率模式,以优化性能:强制固定频率运行、具有超低静态电流的跳跃模式,以及与外部时钟同步。这些器件具有用于频率调制的扩频引脚,可最大限度地降低EMI干扰。
MAX20030和MAX20031具有电源正常监控器以及过压和欠压闭锁功能。保护特性包括逐周期限流和热关断。这些降压控制器采用散热增强型TQFN48封装(带裸露焊盘)。
特性
- 符合严格的OEM模块功耗和性能规格
- 17µA IQ,3.3V降压开启
- 25µA IQ,5V降压开启
- 25µA IQ,LDO开启
- 65µA IQ,启用所有控制器
- 支持启动就绪设计,通过同步升压转换器实现大电流能力和高效率
- EMI抑制特性可降低对敏感无线电频段的干扰,而不影响宽输入电压范围
- 具有50 ns(典型值)最小导通时间,可确保汽车电池在3.3 V频率下实现2 MHz输出无跳跃操作
- 强制固定频率PWM运行
- 电阻器可编程频率:220kHz至2MHz
- 引脚可选扩频
- 集成和散热增强型封装可节省电路板空间和成本
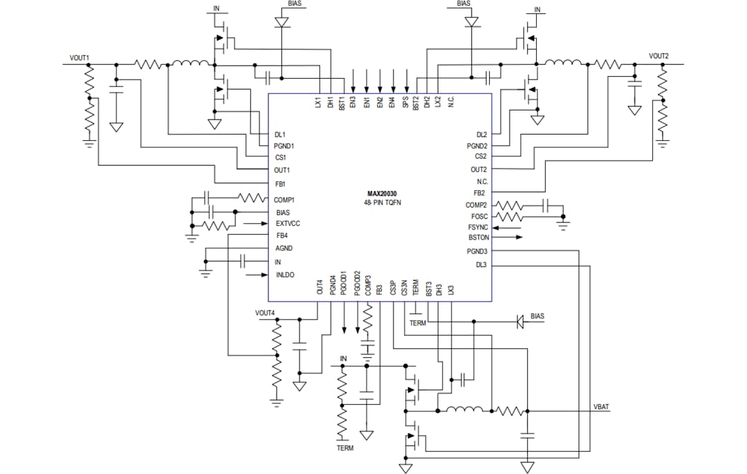
- 双2.2MHz降压控制器,带同步升压控制器和HV 200mA LDO
- 电流模式控制器,具有强制固定频率和跳跃模式
- 散热增强型7mm x 7mm 48引脚TQFN封装,带裸露焊盘
- 保护特性提高系统可靠性
- 电源过压和欠压闭锁
- 过热和短路保护
应用
- 仪器组
- 分布式直流电源系统
- 导航与无线电随身设备
框图
典型应用电路
发布日期: 2020-07-10
| 更新日期: 2024-06-03
