ADI MAX20057 36V升压控制器具有高达2.1MHz开关频率,外部元件少、输出纹波低,保证无AM频段干扰。保护功能包括:逐周期限流以及热关断。MAX20057升压控制器的指定汽车级温度范围为-40°C至+125°C。
特性
- 符合严格的OEM模块功耗和性能规范
- 5V降压开启供电电流为10μA
- 3.3V降压开启供电电流为8μA
- 所有稳压器开启供电电流为30μA
- 支持启动就绪设计
- 从低至2V电池电压的冷启动开始输出电压一直稳压
- 宽输入电源电压范围:3.5V至36V
- EMI抑制特性降低了对敏感无线电频段的干扰而不牺牲宽输入电压范围
- 20ns(典型值)最短导通时间确保在2.1MHz下3.3V输出无跳跃运行
- 扩频选项
- 锁相环 (PLL) 频率同步
- 集成和散热增强型封装可节省电路板空间和成本
- 两个2.1MHz降压转换器带一个异步升压控制器
- 电流模式控制器,具有强制固定频率和跳跃模式
- 散热增强型5mm x 5mm、28引脚TQFN EP封装
- 保护特性提高系统可靠性
- 电源欠压闭锁
- 过热和短路保护
应用
- 汽车起停系统
- 仪表盘
- 分布式直流电源系统
- 导航与无线电随身设备
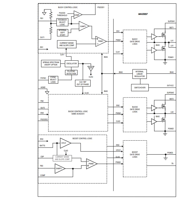
框图
发布日期: 2020-12-23
| 更新日期: 2024-08-12

