MAX20090可检测LED灯串高侧的输出电流。需要进行高侧电流检测,以防止输出端到接地或电池输入端发生短路。该器件也是用于驱动LED的最灵活方案,支持升压、高侧降压、SEPIC模式或降压-升压模式配置。PWM输入提供高达1000:1的LED调光比,ICTRL输入在控制器中提供额外的模拟调光功能。
MAX20090采用节省空间的4mm x 4mm、20引脚TQFN、20引脚侧面可湿TQFN, 或20引脚TSSOP封装,可在-40°C至+125°C汽车级温度范围内工作。
特性
- 具有宽输入范围的高亮度LED驱动器,通过集成节省空间和成本
- +5V至+65V的宽输入电压范围
- +65V的最大升压输出电压
- 用于模拟调光的ICTRL引脚
- 集成高侧电流感应放大器
- 200Hz板载斜坡简化了PWM调光
- 灵活的架构支持轻松的设计优化
- 可配置为升压、高侧降压、SEPIC、降压-升压、Zeta和Cuk
- 可编程开关频率:200kHz至2.2MHz
- 扩频调制可降低EMI噪声
- 汽车特性和稳定性提高系统可靠性
- 通过故障标记进行故障诊断
- 短路、过压和热保护
- 工作温度范围:-40°C至+125°C
- 封装选项
- TSSOP-20
- TQFN-20
- TQFN-20,带可湿性侧翼
- 资质认证
- AEC-Q100
- 符合RoHS指令
应用
- 汽车外部照明
- 商业、工业和建筑照明
- 日间行车灯 (DRL)
- 雾灯和自适应前灯组件
- 平视显示器
- 远光灯/近光灯/信号灯/位置灯
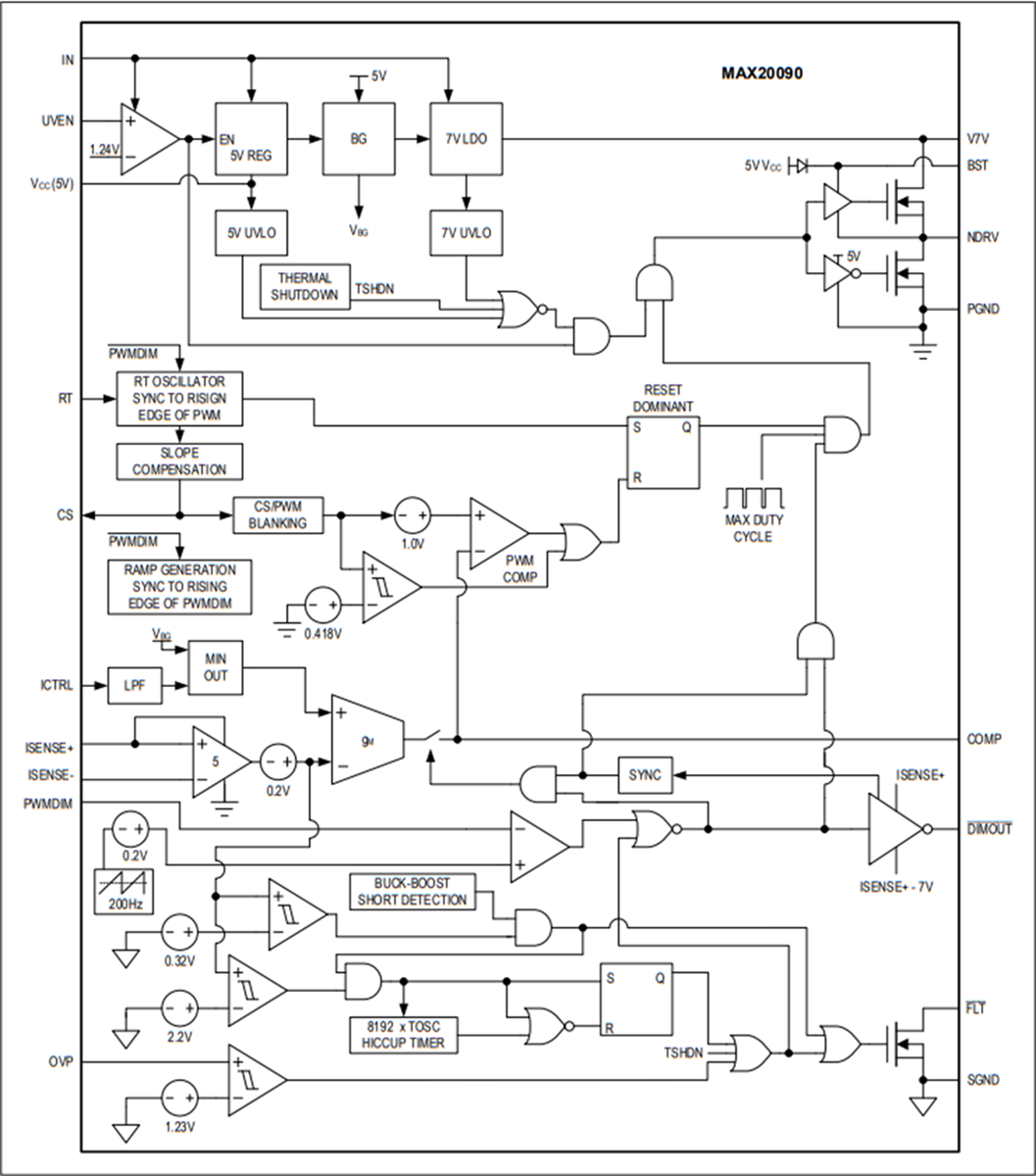
框图
典型应用电路
引脚指示
发布日期: 2017-06-06
| 更新日期: 2023-04-11

