Analog Devices / Maxim Integrated MAX20090高电压、高亮度LED驱动器
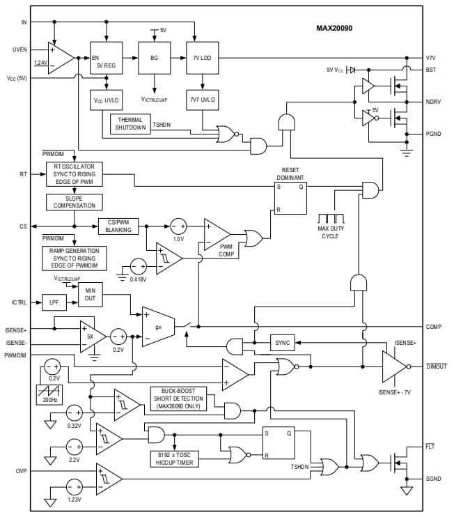
Maxim MAX20090汽车级高电压、高亮度LED控制器可控制各种汽车照明应用。该控制器是一款单通道LED驱动器,适用于汽车前灯应用,例如远光灯、近光灯、日间行车灯 (DRL)、转向指示灯、雾灯及其他LED灯。MAX20090可采用5V至65V的输入电压驱动LED灯串,最大输出电压为65V。该器件可在LED灯串的高侧检测输出电流。脉冲宽度调制 (PWM) 输入提供高达1000:1的LED调光比,ICTRL输入在控制器中提供额外的模拟调光功能。该器件还设有内置扩频调制,以提高电磁兼容性能。特性
- 单通道
- 输出电流:55mA
- 宽输入电压范围:+5V至+65V
- 最大升压输出电压:+65V
- 用于模拟调光的ICTRL引脚
- 集成高侧电流检测放大器
- 灵活的架构支持轻松的设计优化
- 可编程开关频率:200kHz至2.2MHz
- 扩频调制可降低EMI噪声
- 通过故障标记进行故障诊断
- 短路、过压和热保护
- 工作温度范围:-40°C至+125°C
应用
- 汽车外部照明
- 远光灯/近光灯/信号灯/位置灯
- 日间行车灯 (DRL)
- 雾灯和自适应前灯组件
- 平视显示器
- 商业、工业和建筑照明
框图
发布日期: 2019-09-16
| 更新日期: 2023-04-22
