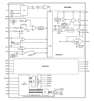
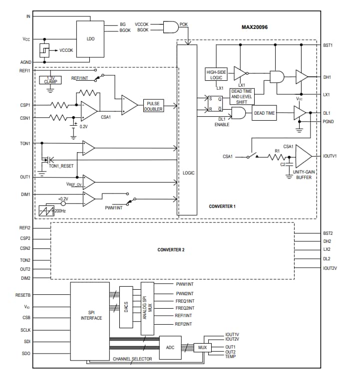
通过检测底部开关装置中的电流,可以检测电感电流。该IC集成了两个完全同步的降压转换控制器,设计用于高频操作,工作开关频率高达1MHz。可通过SPI接口读回两个通道上的输出电压和电流以及结温。该器件还具有各种保护特性,如电感限流保护、过压保护和热关断。
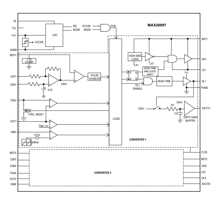
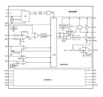
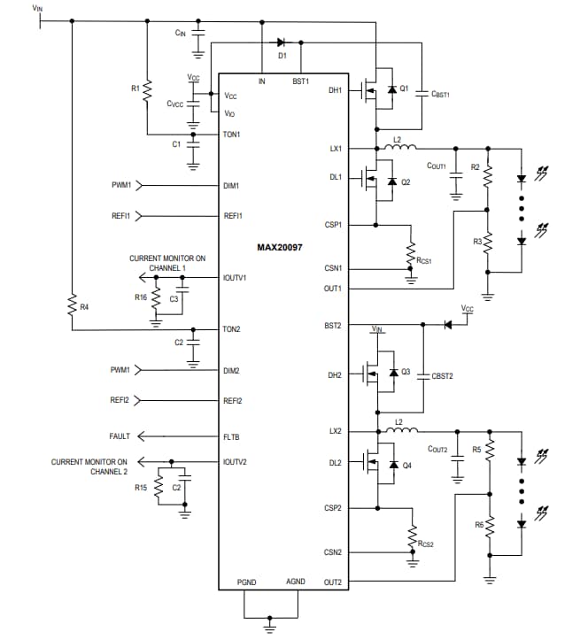
MAX20096采用节省空间的散热增强型 (5mm x 5mm)、32引脚侧面可湿TQFN封装,可在-40°C至+125°C汽车级温度范围内工作。MAX20097采用28引脚散热增强型TSSOP封装,但不提供SPI接口。MAX20097包括漏极开路故障标志 (FLTB),在灯串开路、短路或者任一通道激活过压以及热关断时变为低电平。
特性
- 高度集成,最大限度地减少了高亮度LED驱动器的BOM,节省了空间并降低了成本
- 宽输入电压范围:4.5V至65V
- 无补偿元件
- 可编程开关频率
- 外部MOSFET的尺寸可根据相应电流进行调整
- 宽调光比可实现高对比度
- 模拟调光
- PWM调光
- 适合矩阵照明
- 短路、过压和热保护
- 灯串中个别LED短路/开路时可保持电流稳定
- 超快响应控制环路可预防过冲和下冲
- 保护特性和宽温度范围可提高系统可靠性
- 工作温度范围:-40°C至+125°C
- 热监测器和LED电流监测器
- 通过SPI接口进行故障诊断,对没有SPI接口的应用,则通过FLTB引脚进行故障诊断
应用
- 汽车外部照明
- 远光灯/近光灯/信号灯/位置灯
- 日间行车灯 (DRL)
- 雾灯和自适应前灯组件
- 商业、工业和建筑照明
发布日期: 2019-08-06
| 更新日期: 2023-04-17

